Запчасти Case IH MAXXUM 115 (33.110.AV) - VAR - 392195, 392204, 743764, 743766, 758413, 758414, 758415, 758416, 758581, 759375, 759377, 759379 - PARKING BRAKE, DISC (33) - BRAKES & CONTROLS

Схема запчастей Case IH MAXXUM 115 - (33.110.AV) - VAR - 392195, 392204, 743764, 743766, 758413, 758414, 758415, 758416, 758581, 759375, 759377, 759379 - PARKING BRAKE, DISC (33) - BRAKES & CONTROLS
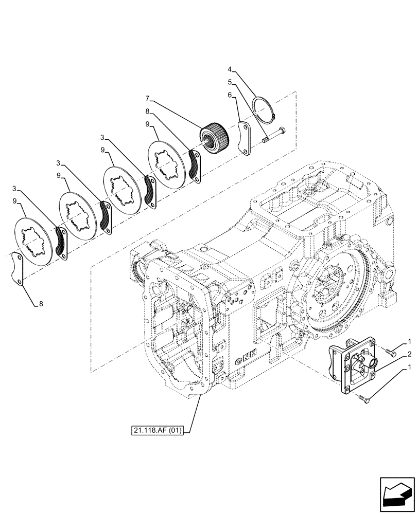
21.118.af (01)
7
8
3
9
1
3
9
2
3
4
1
5
9
9
8
6
FIT
1:1
100%

Артикул

Название

Примечание

Количество

1

15970924

SCREW,Hex, M10 x 1.25 x 35mm, Cl 8.8

6шт.

2

47127186

SUPPORT

1шт.

3

5199788

BRAKE PAD,4.2mm Thk

3шт.

4

11071876

SNAP RING,M100, Ext

1шт.

5

47622096

SET SCREW

2шт.

6

47127226

BRAKE PAD,9mm Thk

1шт.

7

47127223

HUB,34T

Z 34

1шт.

8

5199607

BRAKE PAD,3.1mm Thk

2шт.

9

47127225

BRAKE DISC

4шт.

Выбрано товаров: 9