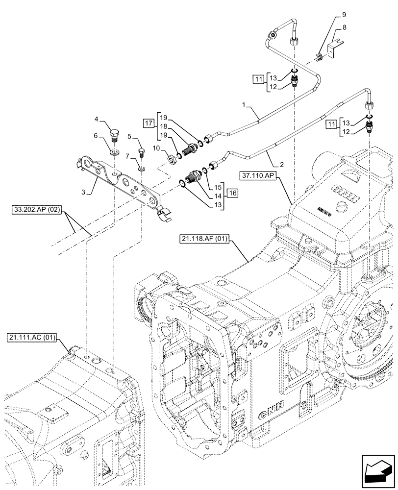
Запчасти Case IH MAXXUM 115 (33.202.AP[01]) - VAR - 391828, 394835, 758441 - BRAKE LINE (33) - BRAKES & CONTROLS

Схема запчастей Case IH MAXXUM 115 - (33.202.AP[01]) - VAR - 391828, 394835, 758441 - BRAKE LINE (33) - BRAKES & CONTROLS
37.110.ap
12
16
11
19
3
13
12
17
11
2
15
1
18
13
13
9
8
10
5
7
14
4
19
6
21.111.ac (01)
33.202.ap (02)
21.118.af (01)
FIT
1:1
100%

Артикул

Название

Примечание

Количество

1

47643169

PIPE

to RH Brake

1шт.

2

47639826

PIPE

to LH Brake

1шт.

3

47742698

BRACKET

1шт.

4

374888

BOLT,Hex, M16 x 2 x 25mm, Cl 8.8, Full Thd

1шт.

5

86637962

BOLT,Hex, M10 x 1.25 x 20mm, Cl 8.8, Full Thd

1шт.

6

10520205

WASHER,Flat, 16.40mm ID x 28.00mm OD x 3.00mm, CST, ZND

1шт.

7

86624176

WASHER,11mm ID x 20mm OD x 2mm Thk

1шт.

8

84543787

BRACKET

1шт.

9

14571987

CLIP

1шт.

10

87010704

BHD LOCK NUT,11/16"-16

1шт.

11

47131549

FITTING,M12 x 1.5

ASSY, Incl 12 (Qty 1), 13 (Qty 1)

2шт.

12

NSS

NOT SOLD SEPARAT

Connector, Incl in 11

2шт.

13

5185510

O-RING,1.78mm Thk x 9.25mm ID, 85 Duro

3шт.

14

NSS

NOT SOLD SEPARAT

Union, Incl in 16

1шт.

15

5185511

O-RING,1.78mm Thk x 12.42mm ID, 85 Duro

1шт.

16

87711900

HYD CONNECTOR

ASSY, Incl 13 (Qty 1), 14, 15

1шт.

17

86978770

UNION,11/16"-6, ORFS

ASSY, Incl 18, 19

1шт.

18

NSS

NOT SOLD SEPARAT

Union, Incl in 17

1шт.

19

9993141

O-RING,0.07" Thk x 0.364" ID, -12, Cl 6, 90 Duro

2шт.

Выбрано товаров: 19