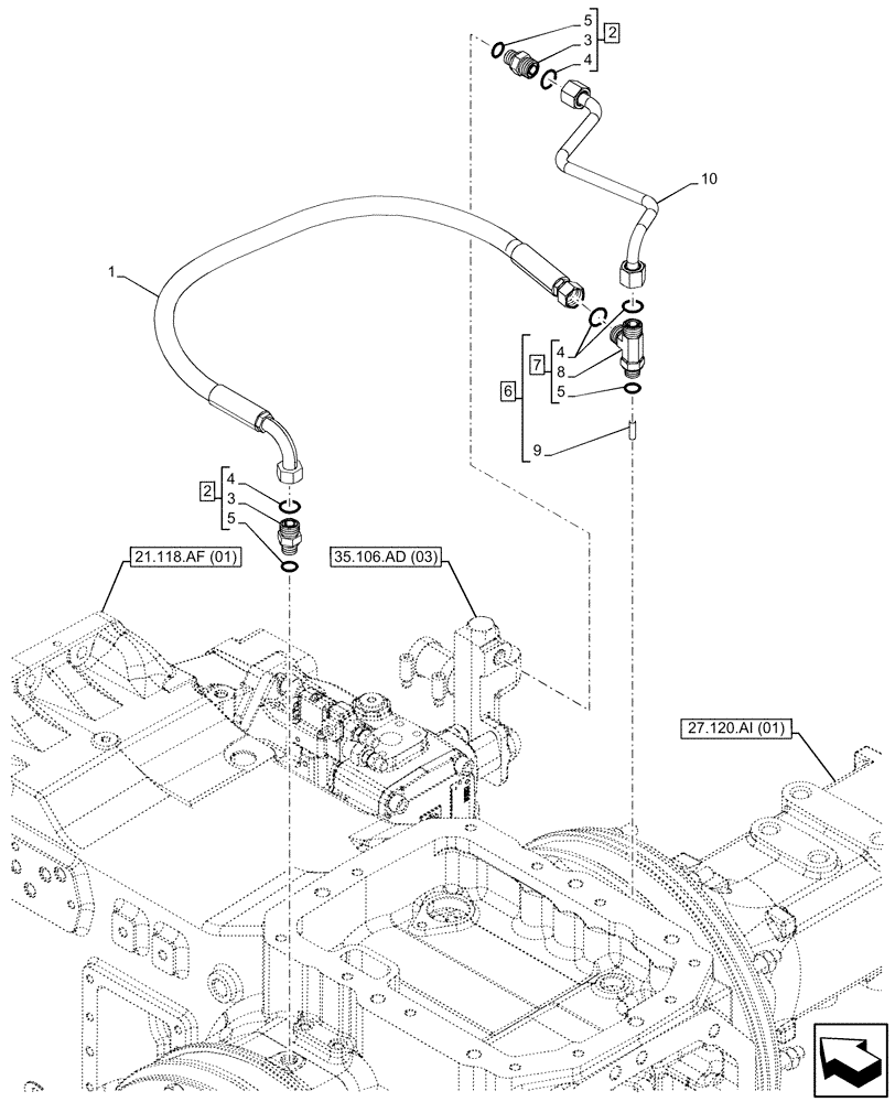
Запчасти Case IH MAXXUM 115 (33.202.AP[05]) - VAR - 394835, 758441 - FINAL DRIVE, BRAKE LINE (33) - BRAKES & CONTROLS

Схема запчастей Case IH MAXXUM 115 - (33.202.AP[05]) - VAR - 394835, 758441 - FINAL DRIVE, BRAKE LINE (33) - BRAKES & CONTROLS
35.106.ad (03)
3
5
3
10
2
6
2
5
1
4
4
5
4
7
8
9
27.120.ai (01)
21.118.af (01)
FIT
1:1
100%

Артикул

Название

Примечание

Количество

1

87624622

HOSE

RH, Brake Pipe, 12.7mm ID x 860mm

1шт.

2

86579675

HYD CONNECTOR,13/16"-16 ORFS x M16 x 1.5 ORB

ASSY, Incl 3 (Qty 1), 4 (Qty 1), 5 (Qty 1)

2шт.

3

NSS

NOT SOLD SEPARAT

Connector, Incl in 2

2шт.

4

86598100

O-RING,2.2mm Thk x 13.3mm ID, Cl 6, 90 Duro

4шт.

5

9992298

O-RING,0.07" Thk x 0.489" ID, -14, Cl 6, 90 Duro

3шт.

6

87722406

HYD CONNECTOR

ASSY, Incl 4 (Qty 2), 5 (Qty 1), 7 - 9

1шт.

7

87315465

HYD CONNECTOR,13/16"-16 ORFS x 13/16"-16 ORFS x M16 x 1.5 ORB

ASSY, Incl 4 (Qty 2), 5 (Qty 1), 8

1шт.

8

NSS

NOT SOLD SEPARAT

Tee, Incl in 7

1шт.

9

14606170

SLOTTED PIN

1шт.

10

84521327

PIPE

Brake Pipe

1шт.

Выбрано товаров: 10