Запчасти Case IH MAXXUM 115 (33.202.AP[06]) - VAR - 394835 - FINAL DRIVE, BRAKE LINE (33) - BRAKES & CONTROLS

Схема запчастей Case IH MAXXUM 115 - (33.202.AP[06]) - VAR - 394835 - FINAL DRIVE, BRAKE LINE (33) - BRAKES & CONTROLS
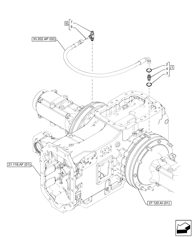
21.118.af (01)
6
3
2
5
7
4
1
27.120.ai (01)
33.202.ap (02)
FIT
1:1
100%

Артикул

Название

Примечание

Количество

1

86579675

HYD CONNECTOR,13/16"-16 ORFS x M16 x 1.5 ORB

ASSY, Incl 2 - 4

1шт.

2

9992298

O-RING,0.07" Thk x 0.489" ID, -14, Cl 6, 90 Duro

1шт.

3

86598100

O-RING,2.2mm Thk x 13.3mm ID, Cl 6, 90 Duro

1шт.

4

NSS

NOT SOLD SEPARAT

Connector, Incl in 1

1шт.

5

87722406

HYD CONNECTOR

ASSY, Incl 6, 7

1шт.

6

14606170

SLOTTED PIN

1шт.

7

87315465

HYD CONNECTOR,13/16"-16 ORFS x 13/16"-16 ORFS x M16 x 1.5 ORB

1шт.

Выбрано товаров: 7