Запчасти Case IH MAXXUM 115 (33.204.AG[01]) - VAR - 758417, 758419, 758423, 758428 - FRONT, BRAKE LINE (33) - BRAKES & CONTROLS

Схема запчастей Case IH MAXXUM 115 - (33.204.AG[01]) - VAR - 758417, 758419, 758423, 758428 - FRONT, BRAKE LINE (33) - BRAKES & CONTROLS
33.204.ax
1
10
12
4
8
12
16
6
2
13
5
11
15
12
14
9
16
3
7
33.204.ag (03)
21.130.bf (02)
21.111.ac (01)
FIT
1:1
100%

Артикул

Название

Примечание

Количество

1

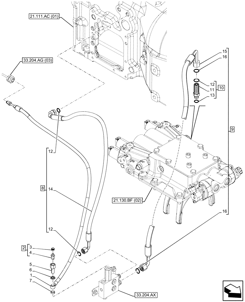
47586956

HOSE,4.8mm ID x 1215mm L, , SAE J517 100R2

From front Brake Valve, 4.8mm ID x 1215mm

1шт.

2

81874592

BLEEDER,M12 x 1 x 15.50mm

ASSY, Incl 3, 4

1шт.

3

81871475

CAP,4.7mm ID x 13mm OD x 10mm L

1шт.

4

81874595

SCREW,Hex, M12 x 1.0 x 15.5mm L

1шт.

5

82036875

BANJO BOLT

1шт.

6

5183780

SEALING WASHER,9.73mm ID x 18mm OD x 1.5mm Thk

1шт.

7

5155678

GASKET,12.2mm ID x 17mm OD x 5mm Thk

1шт.

8

84477833

HOSE,6.4mm ID x 910mm L, SAE 100R2

ASSY, from Front Brake Valve to Transmission Housing, Incl 12 (Qty 2), 14

1шт.

9

84566312

HOSE,6.4mm ID x 1150mm L, SAE 100R2

ASSY, from Filter Suction Valve to Front Brake Valve, Incl 15, 16

1шт.

10

84349420

HYD CONNECTOR

ASSY, Incl 11, 12 (Qty 1), 13

1шт.

11

NSS

NOT SOLD SEPARAT

Connector, Incl in 10

1шт.

12

9993141

O-RING,0.07" Thk x 0.364" ID, -12, Cl 6, 90 Duro

3шт.

13

9617873

O-RING,0.078" Thk x 0.468" ID, -906, Cl 6, 90 Duro

1шт.

14

NSS

NOT SOLD SEPARAT

Hose, Incl in 8

1шт.

15

NSS

NOT SOLD SEPARAT

Hose, Incl in 9

1шт.

16

9992298

O-RING,0.07" Thk x 0.489" ID, -14, Cl 6, 90 Duro

2шт.

Выбрано товаров: 16