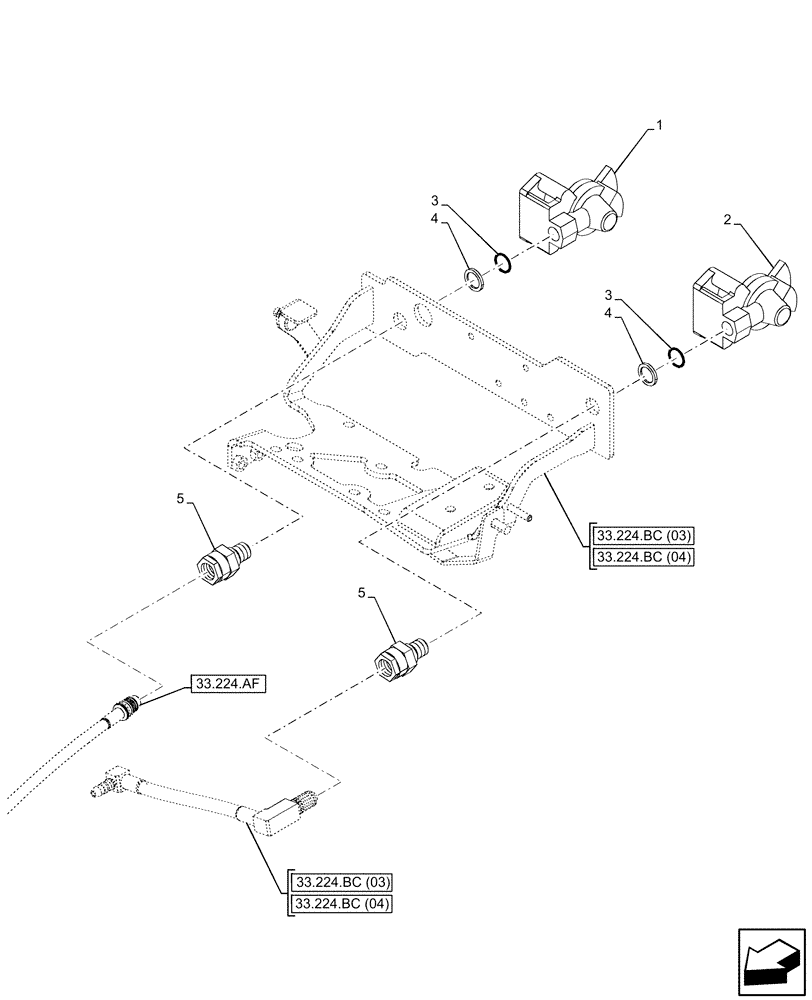
Запчасти Case IH MAXXUM 115 (33.224.AQ[01]) - VAR - 758447 - PNEUMATIC TRAILER BRAKE, LINES (33) - BRAKES & CONTROLS

Схема запчастей Case IH MAXXUM 115 - (33.224.AQ[01]) - VAR - 758447 - PNEUMATIC TRAILER BRAKE, LINES (33) - BRAKES & CONTROLS
33.224.bc (04)
5
4
3
4
1
5
3
2
33.224.bc (03)
33.224.bc (03)
33.224.af
33.224.bc (04)
FIT
1:1
100%

Артикул

Название

Примечание

Количество

1

82001019

COUPLING

1шт.

2

82001020

COUPLING

1шт.

3

87678125

O-RING,2mm Thk x 14mm ID, 70 Duro

2шт.

4

87678124

WASHER,Backing, 16.10mm, 19.50mm ID x 22.00mm OD x 2.60mm

2шт.

5

87678128

ADAPTER

2шт.

Выбрано товаров: 5