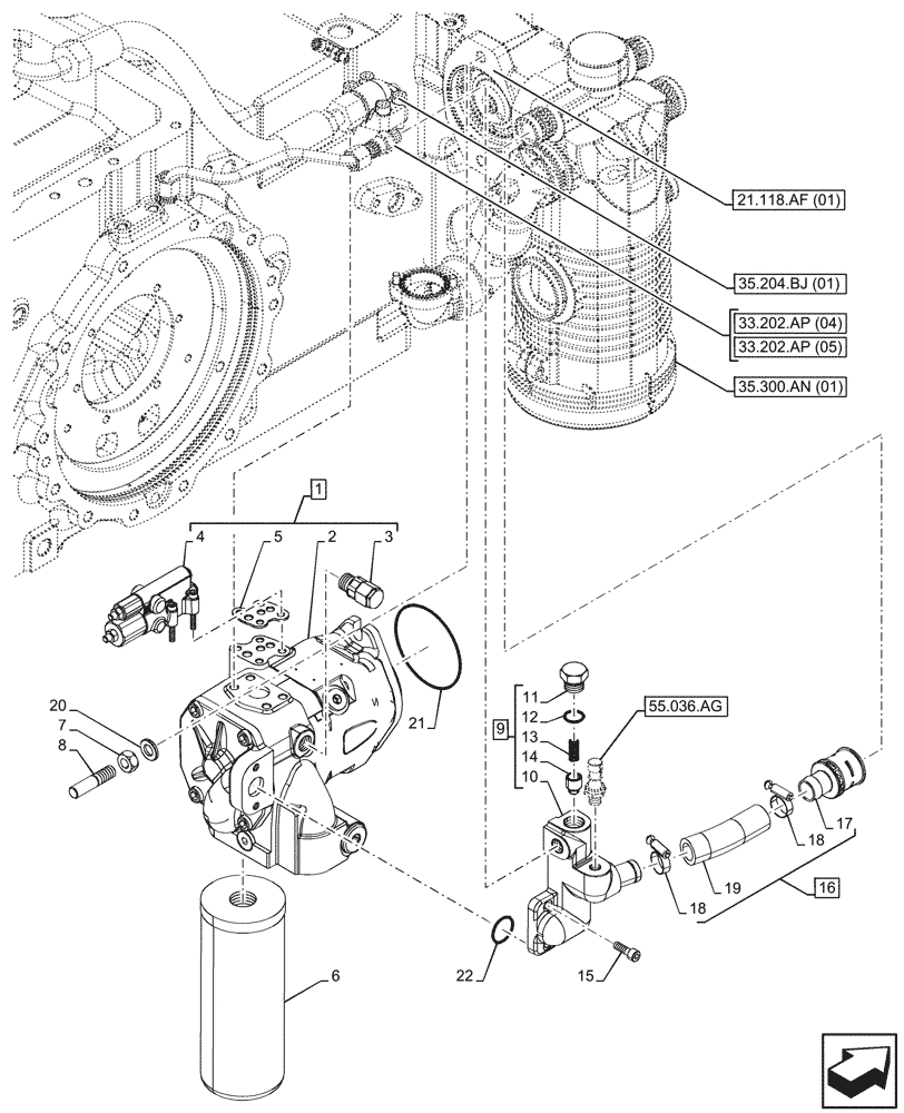
Запчасти Case IH MAXXUM 115 (35.106.AD[01]) - VAR - 394835, 758441 - VARIABLE DELIVERY HYDRAULIC PUMP (35) - HYDRAULIC SYSTEMS

Схема запчастей Case IH MAXXUM 115 - (35.106.AD[01]) - VAR - 394835, 758441 - VARIABLE DELIVERY HYDRAULIC PUMP (35) - HYDRAULIC SYSTEMS
33.202.ap (04)
17
21
7
9
14
3
5
16
4
13
19
15
18
22
20
11
8
10
18
2
6
12
1
55.036.ag
35.300.an (01)
21.118.af (01)
35.204.bj (01)
33.202.ap (05)
FIT
1:1
100%

Артикул

Название

Примечание

Количество

1

84471387

HYDRAULIC PUMP,45 CC

ASSY, Incl 2 - 5

1шт.

1

84471387R

REMAN-HYD PUMP,45 CC

45 CC

1шт.

1

84471387C

CORE-HYDRAULIC PUMP,45 CC

Return Number

1шт.

2

NSS

NOT SOLD SEPARAT

Body, Incl in 1

1шт.

3

47511121

VALVE PRESSURE RELIE

1шт.

4

47616157

COMPENSATOR

1шт.

5

84209778

GASKET

1шт.

6

84226258

HYDRAULIC OIL FILTER,94mm OD x 240mm L, 1" 3/8-12UNF

1шт.

7

12164021

NUT,Thick Hex, M14, 1.50mm Pitch, 11.00mm High, Cl 10, ZND

2шт.

8

13555534

STUD

2шт.

9

84190729

FLANGE

ASSY, Incl 10 - 14

1шт.

10

87491239

FLANGE

1шт.

11

47123781

PLUG,M22 x 1.5

1шт.

12

14438085

O-RING,19.3mm ID x 2.4mm

1шт.

13

87722518

SPRING,12.5mm OD x 33.5mm L

1шт.

14

5169565

VALVE,By-Pass

1шт.

15

14306421

HEX SOC SCREW,M8 x 1.25 x 25mm, Cl 8.8

2шт.

16

87492483

HOSE,32mm Bore Dia

ASSY, Incl 17 - 19

1шт.

17

87381694

HYD CONNECTOR,21mm D x 22mm D

1шт.

18

82036709

HOSE CLAMP,25mm - 40mm, Worm Gear

2шт.

19

NSS

NOT SOLD SEPARAT

Hose, Incl in 16

1шт.

20

10730821

WASHER,Flat, 14.40mm ID x 26.00mm OD x 3.00mm, R80, ZND

2шт.

21

14461380

O-RING,0.103" Thk x 3.987" ID, -155, Cl 5, 75 Duro

1шт.

22

14463480

O-RING,28.17mm ID x 3.53mm Width

1шт.

Выбрано товаров: 24