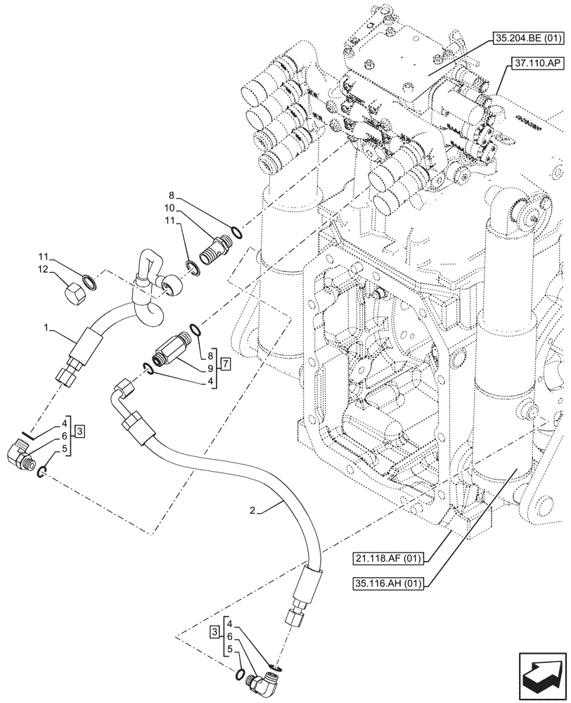
Запчасти Case IH MAXXUM 115 (35.116.AD) - VAR - 390911, 394835, 743686, 743733, 743811, 758359, 758441 - 3 POINT HITCH, HYDRAULIC CYLINDER, LINE (35) - HYDRAULIC SYSTEMS

Схема запчастей Case IH MAXXUM 115 - (35.116.AD) - VAR - 390911, 394835, 743686, 743733, 743811, 758359, 758441 - 3 POINT HITCH, HYDRAULIC CYLINDER, LINE (35) - HYDRAULIC SYSTEMS
37.110.ap
5
1
11
8
8
7
4
6
6
10
3
12
2
5
4
9
3
4
11
35.116.ah (01)
35.204.be (01)
21.118.af (01)
FIT
1:1
100%

Артикул

Название

Примечание

Количество

1

47133648

HOSE,10mm ID x 425mm L

LH Cylinder, 10mm ID x 425mm

1шт.

2

47133647

HOSE,13/16"-16 ID x 600mm L

RH Cylinder, 600mm

1шт.

3

5185052

90 ELBOW,13/16"-16 x M18 x 1.5

ASSY, Incl 4 (Qty 1), 5 (Qty 1), 6 (Qty 1)

2шт.

4

5185511

O-RING,1.78mm Thk x 12.42mm ID, 85 Duro

3шт.

5

14437985

O-RING,15.3mm ID x 2.4mm

2шт.

6

NSS

NOT SOLD SEPARAT

Elbow, Incl in 3

2шт.

7

87519164

HYD CONNECTOR

ASSY, Incl 4 (Qty 1), 8 (Qty 1), 9

1шт.

8

14438085

O-RING,19.3mm ID x 2.4mm

2шт.

9

NSS

NOT SOLD SEPARAT

Connector, Incl in 7

1шт.

10

47133105

BANJO BOLT,M22 x 1.50 x 58mm, R50

1шт.

11

5165897

SEALING WASHER,22.7mm ID x 30mm OD x 2mm Thk

2шт.

12

47133106

PLUG,Hex, M22 x 1.5 x 13mm L

1шт.

Выбрано товаров: 12