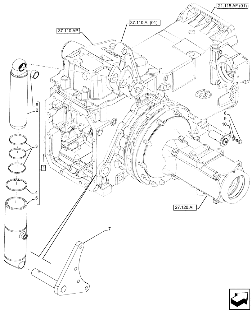
Запчасти Case IH MAXXUM 115 (35.116.AH[01]) - VAR - 390911 - 3 POINT HITCH, HYDRAULIC CYLINDER (35) - HYDRAULIC SYSTEMS

Схема запчастей Case IH MAXXUM 115 - (35.116.AH[01]) - VAR - 390911 - 3 POINT HITCH, HYDRAULIC CYLINDER (35) - HYDRAULIC SYSTEMS
37.110.ap
6
7
9
2
4
8
10
5
1
3
21.118.af (01)
27.120.ai
37.110.ai (01)
FIT
1:1
100%

Артикул

Название

Примечание

Количество

1

87306505

HYDRAULIC CYLINDER,80mm Rod, 177mm Stroke

ASSY, Incl 2 - 6

1шт.

2

87309026

PISTON ROD

1шт.

3

47134495

SEAL KIT

1шт.

4

87663330

RING

1шт.

5

NSS

NOT SOLD SEPARAT

Cylinder Body, Incl in 1

1шт.

6

5198328

BUSHING

1шт.

7

5191004

SUPPORT

LH, Lift Cylinder

1шт.

7

5191006

SUPPORT

RH, Lift Cylinder

1шт.

8

82034728

SET SCREW,Hex, M10 x 1.25 x 22mm, Cl 8.8

1шт.

9

12601474

WAVE WASHER,Wave, 10.50mm ID x 21.00mm OD x 0.80mm, 3.00mm, CST, DAC

1шт.

10

5190967

PIN,34.7mm OD x 96mm L

1шт.

Выбрано товаров: 11