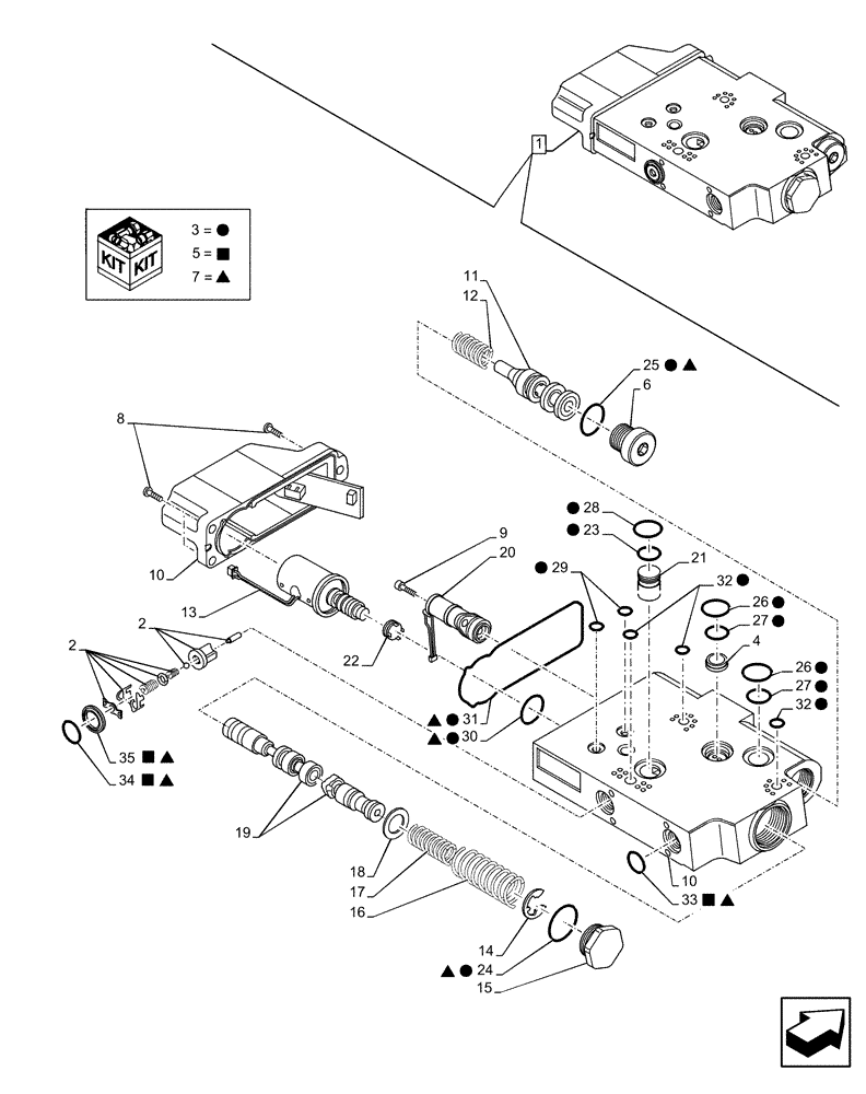
Запчасти Case IH MAXXUM 115 (35.204.BE[28]) - VAR - 390856, 743686, 743733, 758359 - CONTROL VALVE SECTION, COMPONENTS (35) - HYDRAULIC SYSTEMS

Схема запчастей Case IH MAXXUM 115 - (35.204.BE[28]) - VAR - 390856, 743686, 743733, 758359 - CONTROL VALVE SECTION, COMPONENTS (35) - HYDRAULIC SYSTEMS
7
17
31
3
3
6
7
3
9
15
11
19
3
13
4
7
8
24
34
22
10
21
27
7
33
32
32
23
3
3
1
7
5
3
10
2
16
3
2
12
35
7
3
27
3
18
30
26
3
25
5
3
5
29
7
20
7
3
28
26
14
3
5
FIT
1:1
100%

Артикул

Название

Примечание

Количество

1

84230181

HYD VALVE SECTION

ASSY, Incl 2 - 35

3шт.

2

84270832

KIT

1шт.

3

84270830

SEAL KIT

Incl 23 - 32

1шт.

4

84279974

VALVE POPPET

1шт.

5

84125422

SEAL KIT

Incl 33 - 35

1шт.

6

47129438

PLUG

1шт.

7

84270831

SEAL KIT

Incl 24, 25, 30, 31, 33 - 35

1шт.

8

84340200

SCREW,Phillips Drive, Pan HD, M5 x 18mm, Cl 10.9

3шт.

9

14304631

HEX SOC SCREW,M5 x 14mm, Cl 10.9, Full Thd

2шт.

10

NSS

NOT SOLD SEPARAT

Valve Housing, Incl in 1

1шт.

11

NSS

NOT SOLD SEPARAT

Valve Spool, Incl in 1

1шт.

12

NSS

NOT SOLD SEPARAT

Compression Spring, Incl in 1

1шт.

13

NSS

NOT SOLD SEPARAT

Solenoid, Incl in 1

1шт.

14

NSS

NOT SOLD SEPARAT

Locking Washer, Incl in 1

1шт.

15

NSS

NOT SOLD SEPARAT

Screw Plug, Incl in 1

1шт.

16

NSS

NOT SOLD SEPARAT

Compression Spring, Incl in 1

1шт.

17

NSS

NOT SOLD SEPARAT

Compression Spring, Incl in 1

1шт.

18

NSS

NOT SOLD SEPARAT

Spring Disk, Incl in 1

1шт.

19

NSS

NOT SOLD SEPARAT

Valve Spool, Incl in 1

1шт.

20

NSS

NOT SOLD SEPARAT

Coil, Incl in 1

1шт.

21

NSS

NOT SOLD SEPARAT

Bushing, Incl in 1

1шт.

22

NSS

NOT SOLD SEPARAT

Strainer, Incl in 1

1шт.

23

NSS

NOT SOLD SEPARAT

O-Ring, 14.8 x 1, Incl in 3

1шт.

24

NSS

NOT SOLD SEPARAT

O-Ring, 29.4 x 2.1 HNBR, Incl in 3 and Incl in 7

1шт.

25

NSS

NOT SOLD SEPARAT

O-Ring, 19.4 x 2.1 HNBR, Incl in 3 and Incl in 7

1шт.

26

NSS

NOT SOLD SEPARAT

Support Ring, 24.5 x 2.15, Incl in 3

2шт.

27

NSS

NOT SOLD SEPARAT

O-Ring, 18 x 2.5 HNBR, Incl in 3

2шт.

28

NSS

NOT SOLD SEPARAT

O-Ring, 20 x 2.5 HNBR, Incl in 3

1шт.

29

NSS

NOT SOLD SEPARAT

O-Ring, 8 x 2 HNBR, Incl in 3

2шт.

30

NSS

NOT SOLD SEPARAT

O-Ring, 23 x 2.5 HNBR, Incl in 3 and Incl in 7

1шт.

31

NSS

NOT SOLD SEPARAT

Sealing Frame, Incl in 3 and Incl in 7

1шт.

32

NSS

NOT SOLD SEPARAT

Shim, 11.8 x 0.04, Incl in 3

3шт.

33

NSS

NOT SOLD SEPARAT

O-Ring, 15 x 2.5 HNBR, Incl in 5 and Incl in 7

1шт.

34

NSS

NOT SOLD SEPARAT

O-Ring, 17 x 2.5 HNBR, Incl in 5 and Incl in 7

1шт.

35

NSS

NOT SOLD SEPARAT

Washer, Incl in 5 and Incl in 7

1шт.

Выбрано товаров: 35