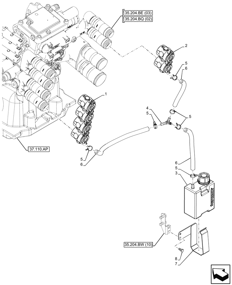
Запчасти Case IH MAXXUM 115 (35.204.BW[02]) - VAR - 743686, 743741 - 3 REMOTE CONTROL VALVES, RESERVOIR (35) - HYDRAULIC SYSTEMS

Схема запчастей Case IH MAXXUM 115 - (35.204.BW[02]) - VAR - 743686, 743741 - 3 REMOTE CONTROL VALVES, RESERVOIR (35) - HYDRAULIC SYSTEMS
37.110.ap
6
6
6
5
5
5
5
1
4
3
8
5
7
2
35.204.bq (02)
35.204.bw (10)
35.204.be (03)
FIT
1:1
100%

Артикул

Название

Примечание

Количество

1

47891313

DUST CAP

LH, 4 Port Green Blue

1шт.

2

47891314

DUST CAP,2 Ports, Brown Clips, Black

RH, 2 Port Brown

1шт.

3

87555441

RESERVOIR, HYDRAULIC,600ml

0.6l

1шт.

4

87397960

TEE,3 Hoses

1шт.

5

13423370

CLAMP,13.6mm - 15.1mm

6шт.

6

82011200

FLEXIBLE HOSE,8mm ID x 620mm L

1шт.

7

84312030

SUPPORT

1шт.

8

10902124

SCREW,Hex, M6 x 14mm, Cl 8.8

2шт.

Выбрано товаров: 8