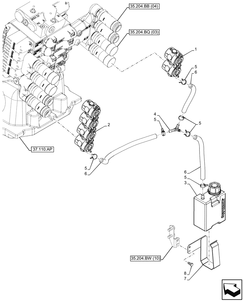
Запчасти Case IH MAXXUM 115 (35.204.BW[06]) - VAR - 743733 - 4 REMOTE CONTROL VALVE, RESERVOIR (35) - HYDRAULIC SYSTEMS

Схема запчастей Case IH MAXXUM 115 - (35.204.BW[06]) - VAR - 743733 - 4 REMOTE CONTROL VALVE, RESERVOIR (35) - HYDRAULIC SYSTEMS
37.110.ap
6
5
6
2
5
5
4
3
7
5
6
8
5
1
35.204.bw (10)
35.204.bb (04)
35.204.bq (03)
FIT
1:1
100%

Артикул

Название

Примечание

Количество

1

47891318

DUST CAP

LH, 2 Port Blue

1шт.

2

47891315

DUST CAP,4 Ports, Brown Clips, Black

RH, 4 Port Brown Black

1шт.

3

87555441

RESERVOIR, HYDRAULIC,600ml

0.6l

1шт.

4

87397960

TEE,3 Hoses

6шт.

5

13423370

CLAMP,13.6mm - 15.1mm

1шт.

6

82011200

FLEXIBLE HOSE,8mm ID x 620mm L

1шт.

7

84312030

SUPPORT

1шт.

8

10902124

SCREW,Hex, M6 x 14mm, Cl 8.8

2шт.

Выбрано товаров: 8