Запчасти Case IH MAXXUM 115 (35.300.BC[01]) - VAR - 394835, 758441 - OIL COOLER LINE (30KPH) (40KPH) (35) - HYDRAULIC SYSTEMS

Схема запчастей Case IH MAXXUM 115 - (35.300.BC[01]) - VAR - 394835, 758441 - OIL COOLER LINE (30KPH) (40KPH) (35) - HYDRAULIC SYSTEMS
21.109.ad (05)
7
8
4
5
2
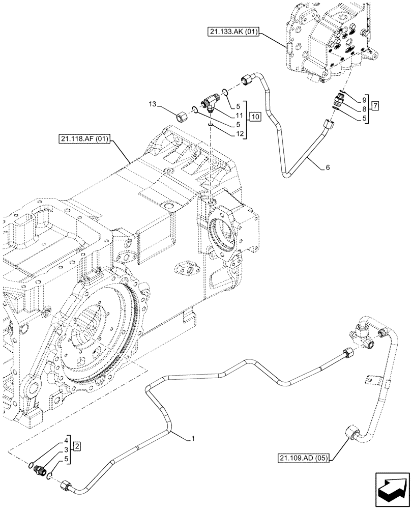
1
12
9
6
10
3
13
5
5
11
5
21.133.ak (01)
21.118.af (01)
FIT
1:1
100%

Артикул

Название

Примечание

Количество

1

84426861

HYD TUBE

Cooler Line

1шт.

2

5194065

HYD CONNECTOR,M18 x 1.5 x 36mm

ASSY, Incl 3, 4, 5 (Qty 1)

1шт.

3

NSS

NOT SOLD SEPARAT

Connector, Incl in 2

1шт.

4

14437985

O-RING,15.3mm ID x 2.4mm

1шт.

5

5185511

O-RING,1.78mm Thk x 12.42mm ID, 85 Duro

4шт.

6

84547343

HYD TUBE

From Transmission Control Valve to Housing

1шт.

7

81863437

HYD CONNECTOR,M18 x 13/16"-16 ORS

ASSY, Incl 5 (Qty 1), 8, 9

1шт.

8

NSS

NOT SOLD SEPARAT

Connector, Incl in 7

1шт.

9

83999938

SEAL,15.7mm ID x 20.9mm OD x 1.5mm Thk

1шт.

10

87303747

TEE

ASSY, Incl 5 (Qty 2), 11, 12

1шт.

11

NSS

NOT SOLD SEPARAT

Connector, Incl in 10

1шт.

12

14437685

O-RING,9.30mm ID x 2.40mm

1шт.

13

9840575

CAP,13/16" - 16 ORFS

1шт.

Выбрано товаров: 13