Запчасти Case IH MAXXUM 115 (37.110.AI[02]) - VAR - 390911, 743811 - 3 POINT HITCH, LIFT ARM (37) - HITCHES, DRAWBARS & IMPLEMENT COUPLINGS

Схема запчастей Case IH MAXXUM 115 - (37.110.AI[02]) - VAR - 390911, 743811 - 3 POINT HITCH, LIFT ARM (37) - HITCHES, DRAWBARS & IMPLEMENT COUPLINGS
37.110.ap
6
6
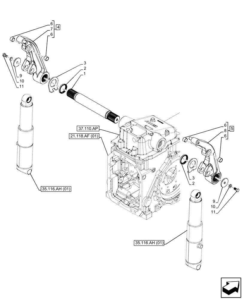
9
5
4
9
6
7
11
1
3
10
11
2
10
8
3
2
6
21.118.af (01)
35.116.ah (01)
35.116.ah (01)
FIT
1:1
100%

Артикул

Название

Примечание

Количество

1

5188863

ROCKSHAFT,46T, 520mm L

1шт.

2

5146367

SEAL,60mm ID x 75mm OD x 8.5mm Thk

2шт.

3

84316817

SPACER,60.00mm ID x 95.00mm OD x 6.00mm

2шт.

4

47127556

LIFT ARM

ASSY, LH, Incl 6 (Qty 2), 7

1шт.

5

47127554

LIFT ARM

ASSY, RH, Incl 6 (Qty 2), 8

1шт.

6

5153140

BUSHING,25.25mm ID x 30mm OD x 20mm L

4шт.

7

NSS

NOT SOLD SEPARAT

Arm, Incl in 4

1шт.

8

NSS

NOT SOLD SEPARAT

Arm, Incl in 5

1шт.

9

5122898

WASHER,15mm ID x 70mm OD x 7mm Thk

2шт.

10

11194174

BELLEVILLE WASHER,M14 Bolt Size x 27mm OD x 3mm Thk

2шт.

11

11422324

BOLT,Hex, M14 x 1.5 x 30mm, Cl 8.8

2шт.

Выбрано товаров: 11