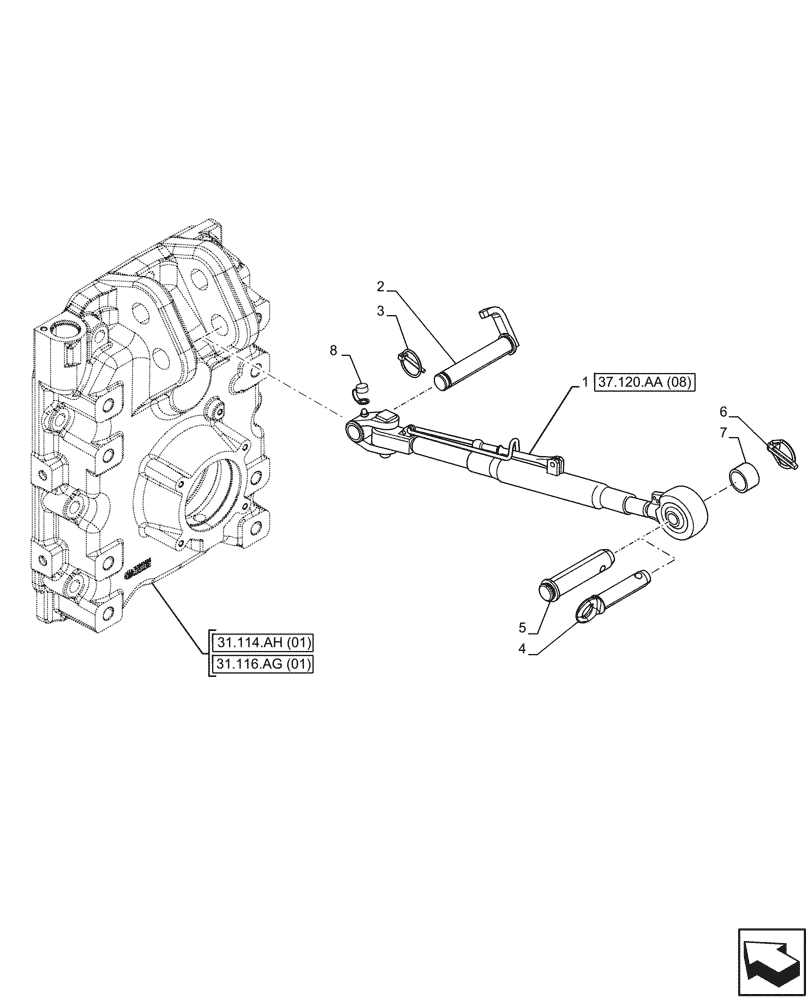
Запчасти Case IH MAXXUM 115 (37.120.AA[07]) - VAR - 758452, 758454 - 3 POINT HITCH, REAR, TOP LINK (37) - HITCHES, DRAWBARS & IMPLEMENT COUPLINGS

Схема запчастей Case IH MAXXUM 115 - (37.120.AA[07]) - VAR - 758452, 758454 - 3 POINT HITCH, REAR, TOP LINK (37) - HITCHES, DRAWBARS & IMPLEMENT COUPLINGS
31.114.ah (01)
7
6
8
5
2
3
1
4
37.120.aa (08)
31.116.ag (01)
FIT
1:1
100%

Артикул

Название

Примечание

Количество

1

84555884

UPPER LINK

ASSY

1шт.

2

5191449

PIN,27.9mm OD x 152mm L

1шт.

3

82014909

LOCK PIN,5.5mm OD

1шт.

4

822483

PIN,25.5mm OD x 137mm L

1шт.

5

44015196

PIN,31.75mm OD x 146mm L

1шт.

6

5166585

LOCK PIN,11mm OD

1шт.

7

47123097

BUSHING,25.7mm ID x 32mm OD x 51mm L

1шт.

8

47983406

PLUG,Greasing point protection,

1шт.

Выбрано товаров: 0