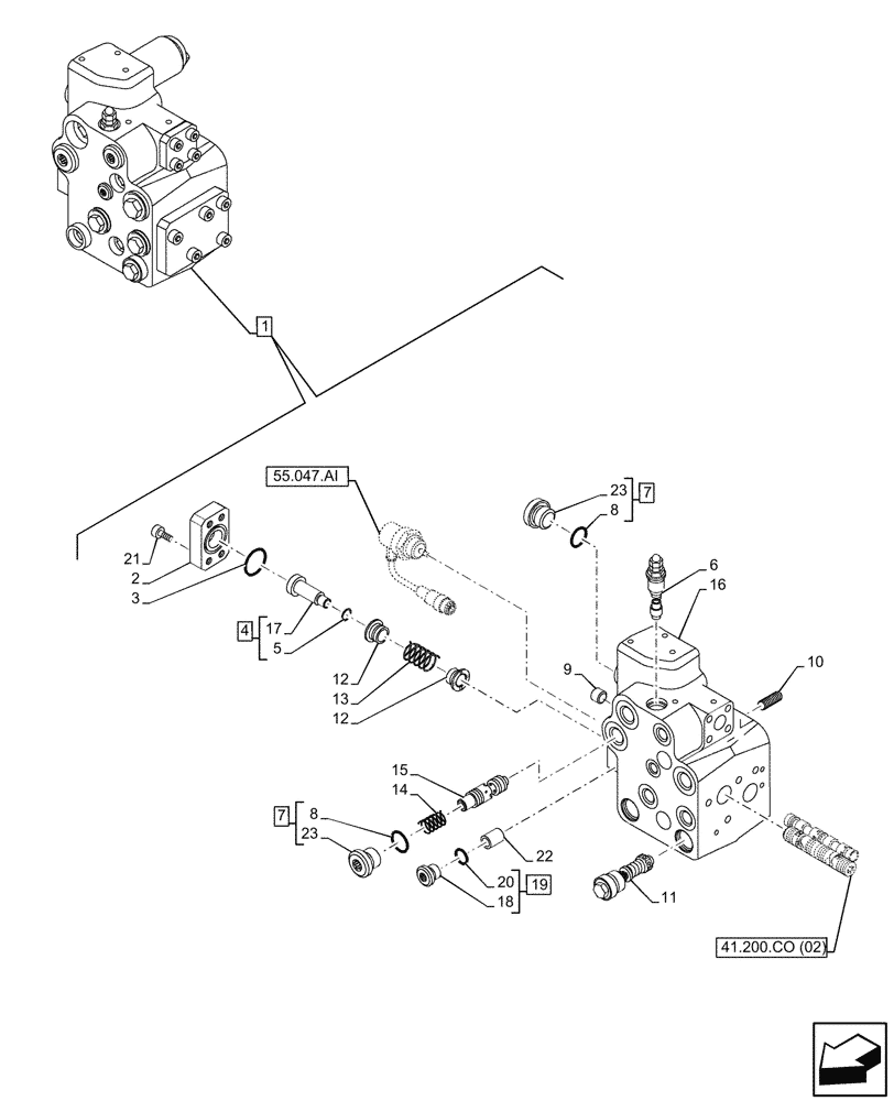
Запчасти Case IH MAXXUM 115 (41.200.CO[03]) - VAR - 743723 - STEERING VALVE, W/ FAST STEER™ SYSTEM, COMPONENTS (41) - STEERING

Схема запчастей Case IH MAXXUM 115 - (41.200.CO[03]) - VAR - 743723 - STEERING VALVE, W/ FAST STEER™ SYSTEM, COMPONENTS (41) - STEERING
55.047.ai
12
18
21
13
15
22
14
23
7
3
16
5
20
7
6
19
23
4
10
8
11
9
2
17
1
12
8
41.200.co (02)
FIT
1:1
100%

Артикул

Название

Примечание

Количество

1

87525763

HYDRAULIC VALVE

ASSY, Incl 2 - 23

1шт.

2

47128848

FLANGE

1шт.

3

14453981

O-RING,0.989" ID x 0.07" Width

1шт.

4

47128851

PIN,Hex Socket, M8 x 25.00mm

ASSY, Incl 5, 17

1шт.

5

47129253

SEALING RING

1шт.

6

47128859

VALVE

1шт.

7

47128844

PLUG

ASSY, Incl 8 (Qty 1), 23 (Qty 1)

2шт.

8

14457381

O-RING,17.12mm ID x 2.62" Width

2шт.

9

10269401

PLUG,Taper Thd, Hex Skt, M12 x 1.5 x 11mm, 4.8

1шт.

10

13804421

SET SCREW,Hex Skt, M5 x 6mm, Flat Pt

1шт.

11

47128857

VALVE

2шт.

12

47128852

BUSHING

2шт.

13

47128855

SPRING

1шт.

14

47128856

SPRING

1шт.

15

47131162

VALVE

1шт.

16

NSS

NOT SOLD SEPARAT

Body Valve, Incl in 1

1шт.

18

NSS

NOT SOLD SEPARAT

Plug, Incl in 19

1шт.

17

NSS

NOT SOLD SEPARAT

Pin, Incl in 4

1шт.

19

47128841

PLUG

ASSY, Incl 18, 20

1шт.

20

14452980

O-RING,9.25mm ID x 1.78" Width

1шт.

21

14305773

SCREW,M6 x 14mm

4шт.

22

47128850

SCREW

1шт.

23

NSS

NOT SOLD SEPARAT

Plug, Incl in 7

2шт.

Выбрано товаров: 23