Запчасти Case IH MAXXUM 115 (41.432.AE[02]) - VAR - 743812 - AUTOGUIDANCE, VALVE, COMPONENTS (41) - STEERING

Схема запчастей Case IH MAXXUM 115 - (41.432.AE[02]) - VAR - 743812 - AUTOGUIDANCE, VALVE, COMPONENTS (41) - STEERING
9
22
7
7
2
23
29
6
15
21
5
21
19
13
15
30
14
26
9
18
19
11
11
10
7
25
15
8
24
15
17
1
15
28
12
4
9
15
3
16
32
11
27
17
20
31
21
41.432.ae (03)
55.680.am
FIT
1:1
100%

Артикул

Название

Примечание

Количество

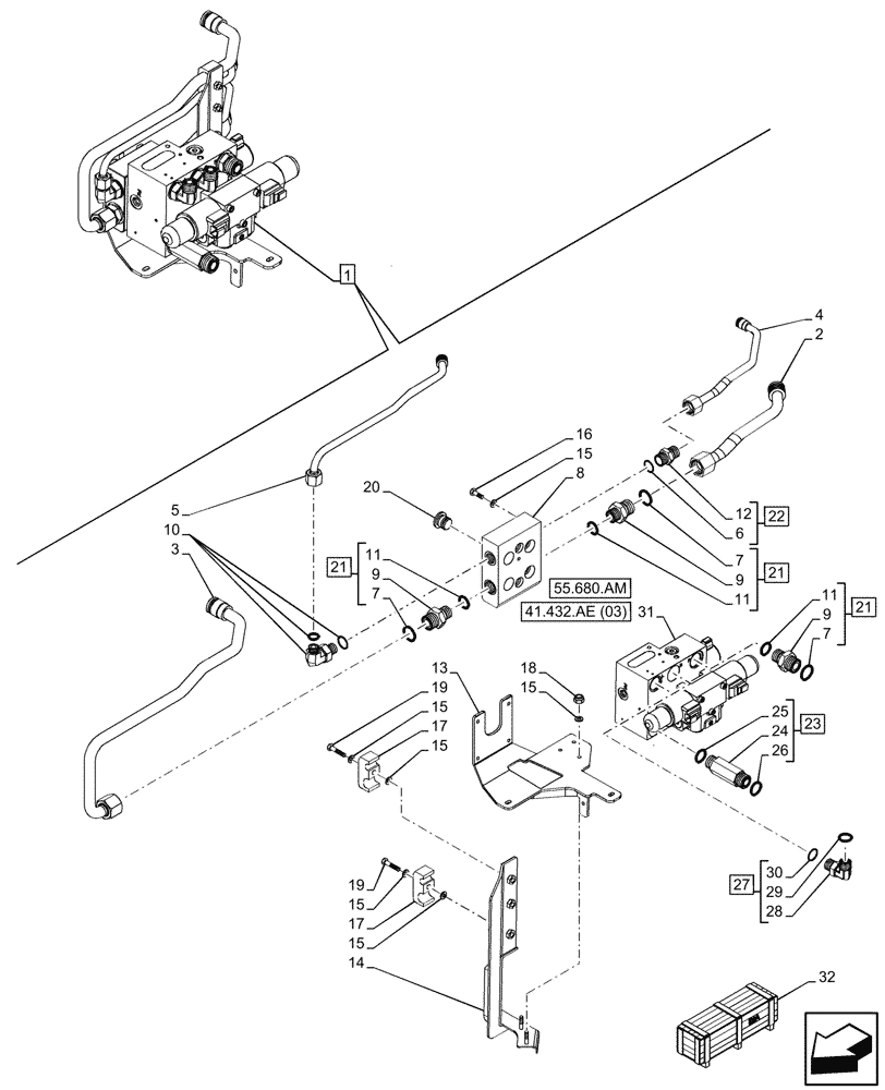
1

47748473

VALVE

ASSY, Incl 2 - 31

1шт.

See also Valve Components in Figure 41.432.AE (03), 55.680.AM

1шт.

2

47725539

PIPE

Autoguidance P Line on Valve

1шт.

3

47725545

PIPE

Autoguidance T Line on Valve

1шт.

4

47725541

PIPE

Autoguidance R Line on Valve

1шт.

5

47725543

PIPE

Autoguidance L Line on Valve

1шт.

6

83999938

SEAL,15.7mm ID x 20.9mm OD x 1.5mm Thk

1шт.

7

83901443

O-RING,0.07" Thk x 0.614" ID, -16, Cl 6, 90 Duro

3шт.

8

47748526

MANIFOLD

1шт.

9

NSS

NOT SOLD SEPARAT

Connector, Incl in 21

3шт.

10

47752102

ELBOW UNION

1шт.

11

82016732

SEAL,19.6mm ID x 24.3mm OD x 1.5mm Thk

3шт.

12

NSS

NOT SOLD SEPARAT

Connector, Incl in 22

1шт.

13

47618847

BRACKET

1шт.

14

47725577

BRACKET

1шт.

15

14496401

WASHER,M6.4 x 12.00mm x 1.60mm

10шт.

16

86508568

BOLT,Hex, M6 x 1 x 16mm, Cl 8.8

4шт.

17

87735418

CLAMP BRACKET

2шт.

18

9706755

NUT,M6, Cl 8

2шт.

19

86977789

BOLT,Hex, M6 x 1.0 x 35mm, Cl 8.8

2шт.

20

87013336

PLUG

ASSY, Incl 7 (Qty 1), 9 (Qty 1), 11 (Qty 1)

1шт.

21

82016498

HYD CONNECTOR,M22 x 1.5 DIN, 1" - 14 ORFS

3шт.

22

47448751

HYD CONNECTOR,M18 x 1.5 ORB, 11/16" - 16 ORFS

ASSY, Incl 6, 12

1шт.

23

47632343

HYD CONNECTOR

ASSY, Incl 24 - 26

1шт.

24

NSS

NOT SOLD SEPARAT

Connector, Incl in 23

1шт.

25

86598101

O-RING,2.2mm Thk x 15.3mm ID, Cl 6, 90 Duro

1шт.

26

9992069

O-RING,0.07" Thk x 0.614" ID, -16, Cl 6, 90 Duro

1шт.

27

82031421

90 ELBOW,13/16"-16 ORFS x M18 x 1.5 ORB

ASSY, Incl 28 - 30

2шт.

28

NSS

NOT SOLD SEPARAT

Elbow, Incl in 27

1шт.

29

5185511

O-RING,1.78mm Thk x 12.42mm ID, 85 Duro

1шт.

30

14437985

O-RING,15.3mm ID x 2.4mm

1шт.

31

47643871

VALVE SECTION

ASSY

1шт.

32

718228014

DIA KIT, TRACTOR

Autoguidance System Sps Cl 3 Axle, Incl 1 - 31

1шт.

To See Full DIA KIT Composition Look for all the Figures Where the DIA KIT P/N Is Shown

1шт.

32

718230014

DIA KIT, TRACTOR

Autoguidance System Sps Cl 3.5 Axle, Incl 1 - 31

1шт.

To See Full DIA KIT Composition Look for all the Figures Where the DIA KIT P/N Is Shown

1шт.

Выбрано товаров: 36