Запчасти Case IH MAXXUM 115 (50.200.AK[06]) - VAR - 390643, 758482 - AIR CONDITIONING (50) - CAB CLIMATE CONTROL

Схема запчастей Case IH MAXXUM 115 - (50.200.AK[06]) - VAR - 390643, 758482 - AIR CONDITIONING (50) - CAB CLIMATE CONTROL
50.200.aa (01)
9
14
7
18
16
10
4
8
1
13
11
5
9
17
15
10
21
19
20
6
12
2
18
3
10.001.ad
50.100.ap (01)
50.200.ak (07)
FIT
1:1
100%

Артикул

Название

Примечание

Количество

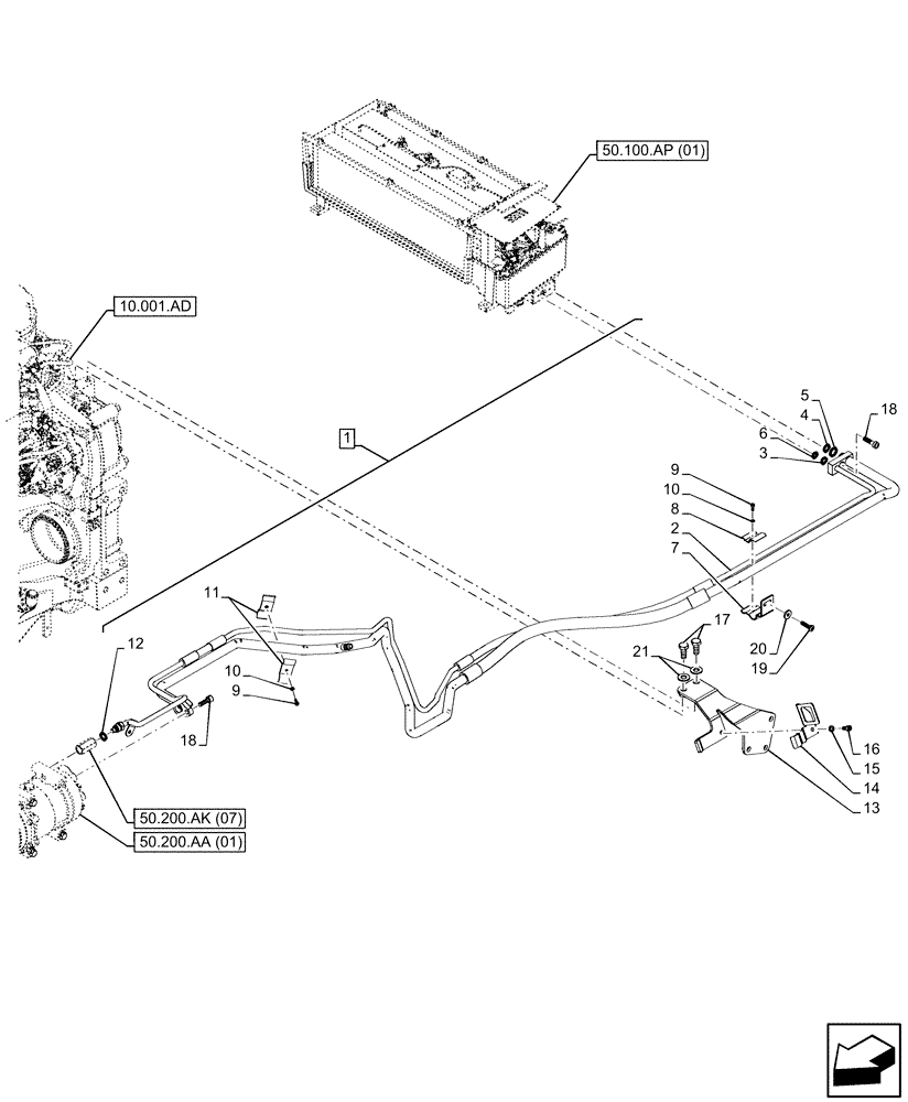
1

47618789

EXPANDER

ASSY, Incl 2 - 12

1шт.

2

NSS

NOT SOLD SEPARAT

Pipe, Incl in 1

1шт.

3

10318883

O-RING,8.1mm ID x 1.6mm Width

1шт.

4

82007848

O-RING,2.4mm Thk x 13.4mm ID

1шт.

5

10319983

O-RING,1.6mm Thk x 16.1mm ID

1шт.

6

82007847

O-RING,1.8mm Thk x 6.7mm ID

1шт.

7

84233863

BRACKET

1шт.

8

84233864

BRACKET

1шт.

9

14303021

SCREW,M4 x 12mm, Cl 8.8, Full Thd

2шт.

10

10615279

LOCK WASHER,M4, Serr

2шт.

11

84418846

BRACKET

1шт.

12

82000793

O-RING,1.78mm Thk x 7.65mm ID, -11, 70 Duro

1шт.

13

47629590

BRACKET

1шт.

14

47629588

BRACKET

1шт.

15

86588450

WASHER,6.6mm ID x 12mm OD x 1.6mm Thk

1шт.

16

14305724

HEX SOC SCREW,M6 x 14mm, Cl 8.8, Full Thd

1шт.

17

11106221

SCREW,Hex, M10 x 25mm, Cl 8.8, Full Thd

2шт.

18

86625220

HEX SOC SCREW,M8 x 25mm, Cl 8.8

2шт.

19

84007540

SCREW,Pozidrive, Pan HD, M6 x 25mm, Cl 4.8

1шт.

20

10523401

WASHER,6.15mm ID x 18mm OD x 2mm Thk

1шт.

21

86625253

WASHER,11mm ID x 24mm OD x 2mm Thk

2шт.

Выбрано товаров: 21