Запчасти Case IH MAXXUM 115 (55.020.AB[01]) - VAR - 392195, 392204, 743764, 743766, 758413, 758414, 758415, 758416, 758581, 759375, 759377, 759379 - TRANSMISSION HOUSING, SPEED SENSOR (55) - ELECTRICAL SYSTEMS

Схема запчастей Case IH MAXXUM 115 - (55.020.AB[01]) - VAR - 392195, 392204, 743764, 743766, 758413, 758414, 758415, 758416, 758581, 759375, 759377, 759379 - TRANSMISSION HOUSING, SPEED SENSOR (55) - ELECTRICAL SYSTEMS
21.111.ac (02)
6
5
2
3
2
1
4
55.024.aa (01)
21.111.ac (01)
FIT
1:1
100%

Артикул

Название

Примечание

Количество

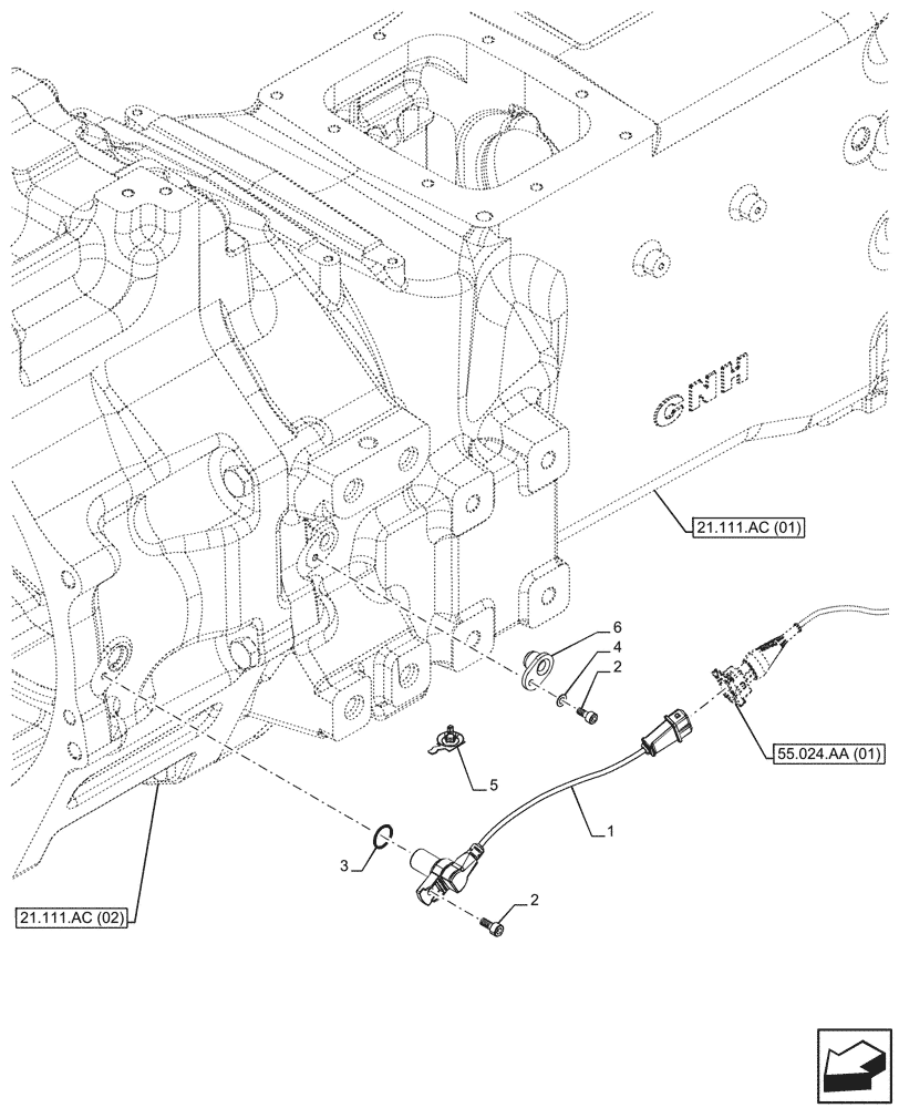
1

84169162

SENSOR

Speed

1шт.

2

14305724

HEX SOC SCREW,M6 x 14mm, Cl 8.8, Full Thd

2шт.

3

129979

O-RING,0.103" Thk x 0.674" ID, -115, Cl 5, 75 Duro

1шт.

4

12601274

WAVE WASHER,6.40mm ID x 12mm OD x 0.50mm, 2.60mm H, STL, DAC

1шт.

5

84121645

MOUNT

1шт.

6

87307348

PLUG,18mm ID

Less Booster

1шт.

Only When Spacer Driveline, See Figure 21.111.AC (02), is Apply

1шт.

Выбрано товаров: 0