Запчасти Case IH MAXXUM 115 (55.023.AA[01]) - VAR - 392195, 392204, 743764, 743766, 758413, 758414, 758415, 758416, 758581 - TRANSMISSION HOUSING, COVER, POSITION, SENSOR (55) - ELECTRICAL SYSTEMS

Схема запчастей Case IH MAXXUM 115 - (55.023.AA[01]) - VAR - 392195, 392204, 743764, 743766, 758413, 758414, 758415, 758416, 758581 - TRANSMISSION HOUSING, COVER, POSITION, SENSOR (55) - ELECTRICAL SYSTEMS
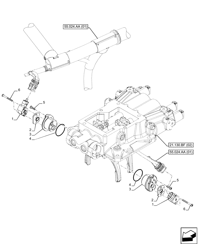
55.024.aa (01)
4
5
6
2
1
1
5
3
6
4
3
2
21.130.bf (02)
55.024.aa (01)
FIT
1:1
100%

Артикул

Название

Примечание

Количество

1

87605247

POTENTIOMETER,4000 Ohm, 13.5 VDC

Angle Position

2шт.

2

5178541

PLATE

2шт.

3

47135914

HOUSING

2шт.

4

14464280

O-RING,0.139" Thk x 1.734" ID, -224, Cl 5, 75 Duro

2шт.

5

13274421

SCREW,Pozidriv Pan Hd, M5 x 20mm, Cl 8.8

2шт.

6

87673580

SCREW,Phil Pan Hd, M5 x 50mm, Cl 8.8, w/ Chem Lock

4шт.

Выбрано товаров: 6