Запчасти Case IH MAXXUM 115 (55.023.AA[02]) - SERVICE KIT, TRANSMISSION, ELECTRONIC CONTROL, SUPPORT (55) - ELECTRICAL SYSTEMS

Схема запчастей Case IH MAXXUM 115 - (55.023.AA[02]) - SERVICE KIT, TRANSMISSION, ELECTRONIC CONTROL, SUPPORT (55) - ELECTRICAL SYSTEMS
21.130.bf (02)
6
3
4
3
2
5
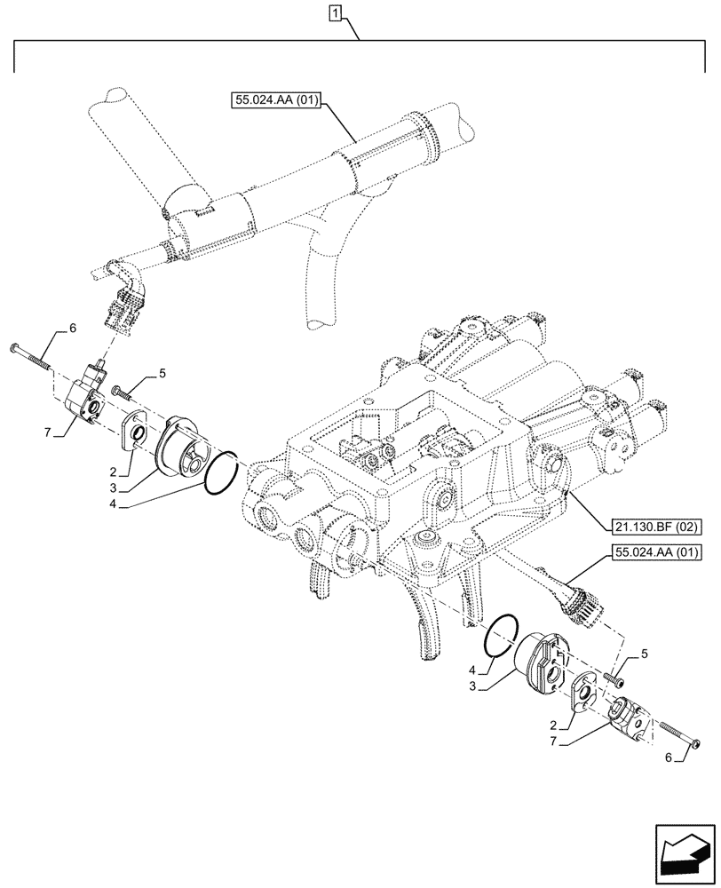
1
6
2
7
5
4
7
55.024.aa (01)
55.024.aa (01)
FIT
1:1
100%

Артикул

Название

Примечание

Количество

1

47798580

GEARBOX

Transmission ASSY, Incl 2 -7

1шт.

2

5178541

PLATE

2шт.

3

47135914

HOUSING

2шт.

4

14464280

O-RING,0.139" Thk x 1.734" ID, -224, Cl 5, 75 Duro

2шт.

5

13274421

SCREW,Pozidriv Pan Hd, M5 x 20mm, Cl 8.8

2шт.

6

87673580

SCREW,Phil Pan Hd, M5 x 50mm, Cl 8.8, w/ Chem Lock

4шт.

7

87605247

POTENTIOMETER,4000 Ohm, 13.5 VDC

2шт.

Выбрано товаров: 7