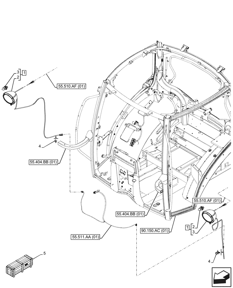
Запчасти Case IH MAXXUM 115 (55.404.BS[04]) - VAR - 758488 - CAB, FRONT, WORKING LIGHT (55) - ELECTRICAL SYSTEMS

Схема запчастей Case IH MAXXUM 115 - (55.404.BS[04]) - VAR - 758488 - CAB, FRONT, WORKING LIGHT (55) - ELECTRICAL SYSTEMS
55.404.bb (01)
4
3
2
3
1
1
5
4
2
90.150.ac (01)
55.511.aa (01)
55.510.af (01)
55.510.af (01)
55.404.bb (01)
FIT
1:1
100%

Артикул

Название

Примечание

Количество

1

47677853

HEADLAMP,HB2, 12V

ASSY, Incl 2 (Qty1), 3 (Qty1)

2шт.

2

NSS

NOT SOLD SEPARAT

Lamp, Incl in 1

2шт.

3

87283179

BULB,H4, 12V, 60/55W

2шт.

4

82033028

CABLE TIE,170mm L

2шт.

5

718177074

DIA KIT, TRACTOR

Front Headlights Kit for Top of Sidelights, RH, Incl 1 - 4

1шт.

To See Full DIA KIT Composition Look for all the Figures Where the DIA KIT P/N Is Shown

1шт.

Выбрано товаров: 6