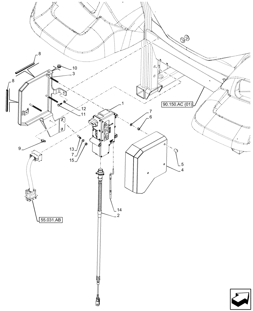
Запчасти Case IH MAXXUM 115 (55.640.AG[01]) - VAR - 391153, 743777 - PARKING LOCK, ELECTRONIC CONTROL UNIT (55) - ELECTRICAL SYSTEMS

Схема запчастей Case IH MAXXUM 115 - (55.640.AG[01]) - VAR - 391153, 743777 - PARKING LOCK, ELECTRONIC CONTROL UNIT (55) - ELECTRICAL SYSTEMS
55.031.ab
12
13
9
6
3
4
5
7
11
7
8
8
10
15
1
2
14
90.150.ac (01)
FIT
1:1
100%

Артикул

Название

Примечание

Количество

1

47513111

CONTROL UNIT

Electronic Control Unit

1шт.

1

47513111R

REMAN ELECT CONTROL

1шт.

1

47513111C

CORE-ELECTRONIC CONT

Return Number

1шт.

2

84589407

CABLE,1040mm L

1шт.

3

47797720

BRACKET

1шт.

4

47439180

COVER

1шт.

5

5132136

CAP COVER,M8

M8

3шт.

6

87597953

NUT,M8, 1.25 Pitch, 10.6mm High, Cl 8, ZND

3шт.

7

14496501

WASHER,8.4mm ID x 17mm OD x 1.6mm Thk

5шт.

8

83964601

MOLDING,164mm L

2шт.

9

82033028

CABLE TIE,170mm L

1шт.

10

10399080

GROMMET,M10 x 16 x 22mm

M10 x 16 x 22mm

1шт.

11

43127

BOLT,Hex, M8 x 1.25 x 25mm, Cl 8.8

1шт.

12

86624184

WASHER,9mm ID x 16mm OD x 1.6mm Thk

1шт.

13

13517021

STUD,M8 x 12mm x 25mm, Cl 8.8

2шт.

14

84123734

TOOL

1шт.

15

16104511

NUT,M8 x 1.25, Cl 8.8

2шт.

Выбрано товаров: 17