Запчасти Case IH MAXXUM 115 (90.116.BA[04]) - VAR - 758505, 758506, 758507 - DYNAMIC FRONT FENDER, SUPPORT (90) - PLATFORM, CAB, BODYWORK AND DECALS

Схема запчастей Case IH MAXXUM 115 - (90.116.BA[04]) - VAR - 758505, 758506, 758507 - DYNAMIC FRONT FENDER, SUPPORT (90) - PLATFORM, CAB, BODYWORK AND DECALS
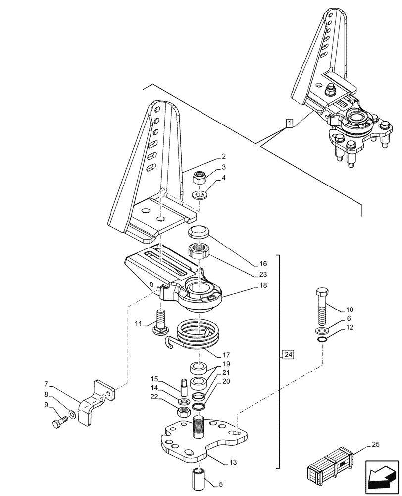
10
3
19
11
5
9
1
17
4
18
24
7
25
16
23
15
14
12
6
22
13
21
20
8
2
FIT
1:1
100%

Артикул

Название

Примечание

Количество

1

47444870

HUB

ASSY, RH, Incl 2 - 24

1шт.

1

47444867

HUB

ASSY, LH, Incl 2 - 24

1шт.

2

87543523

SUPPORT

RH

1шт.

2

87543522

SUPPORT

LH

1шт.

3

47132634

NUT,M18, 1.5mm Pitch

1шт.

4

14489601

WASHER,19mm ID x 34mm OD x 3mm Thk

1шт.

5

87543524

SPACER,45mm

4шт.

6

14496901

WASHER,17mm ID x 30mm OD x 3mm Thk

4шт.

7

84280349

LOCKING PLATE

RH

1шт.

8

11198574

BELLEVILLE WASHER,Belleville, M10.5

1шт.

8

84280350

LOCKING PLATE

LH

1шт.

9

11306924

BOLT,Hex, M10 x 1.25 x 30, 8.8, Full Thd

1шт.

10

11254121

BOLT,Hex, M16 x 80, 8.8

4шт.

11

47132633

SCREW,M18 x 1.5, Cl 8.8

1шт.

12

87611913

GASKET

1шт.

13

87543520

BASE

1шт.

14

11191079

BELLEVILLE WASHER,Belleville, 15mm ID x 27mm OD x 2.6mm Thk

1шт.

15

47132631

DOWEL,M14 x 1.5mm

1шт.

16

84599582

PLUG

1шт.

17

84134750

SPRING,8mm OD

RH

1шт.

17

84134749

SPRING,8mm OD

LH

1шт.

18

47457320

HUB

1шт.

19

47132628

ROLLER BEARING,25mm ID x 47mm OD x 15mm W

2шт.

20

47457370

SEAL,46mm ID x 54mm OD x 4mm Thk

1шт.

21

47457379

SPACER,5mm Thk

1шт.

22

10791311

THIN NUT,M14 x 1.5, Cl 04

1шт.

23

47457358

LOCK NUT,M25 x 1.5

1шт.

24

47457427

HUB

ASSY, RH, Incl 13 - 22

1шт.

24

47457429

HUB

ASSY, LH, Incl 13 - 22

1шт.

25

718510024

DIA KIT, TRACTOR

Dynamic Front Fenders for Standard Axle (420mm), Incl 2 - 24

1шт.

To See Full DIA KIT Composition Look for all the Figures Where the DIA KIT P/N Is Shown

1шт.

Выбрано товаров: 31