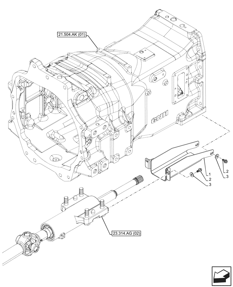
Запчасти Case IH MAXXUM 115 (23.314.AF[05]) - VAR - 758422, 758423, 758427, 758428 - DRIVE SHAFT, SUSPENDED FRONT AXLE, REAR COVER (23) - FOUR WHEEL DRIVE SYSTEM

Схема запчастей Case IH MAXXUM 115 - (23.314.AF[05]) - VAR - 758422, 758423, 758427, 758428 - DRIVE SHAFT, SUSPENDED FRONT AXLE, REAR COVER (23) - FOUR WHEEL DRIVE SYSTEM
23.314.ag (02)
3
1
2
2
3
21.504.ak (01)
FIT
1:1
100%

Артикул

Название

Примечание

Количество

1

84592827

SHIELD

1шт.

2

82019896

FLANGE BOLT,Hex, M8 x 1.5 x 16mm, Piloted

4шт.

3

11198174

BELLEVILLE WASHER,M8 Bolt Size x 22mm OD x 2.2mm Thk

4шт.

Выбрано товаров: 3