Запчасти Case IH MAXXUM 115 (25.100.AV[04]) - VAR - 743699, 743700 - 4WD FRONT AXLE, INTEGRATED HYDRAULIC LIFT, SUPPORT (25) - FRONT AXLE SYSTEM

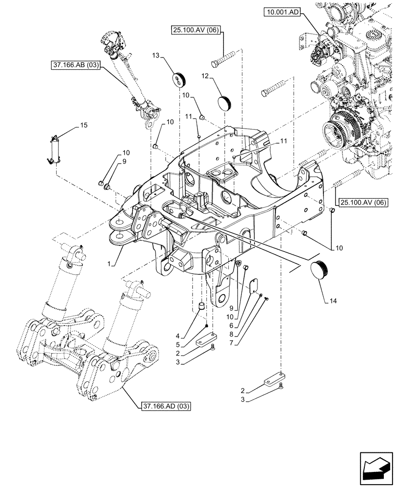
Схема запчастей Case IH MAXXUM 115 - (25.100.AV[04]) - VAR - 743699, 743700 - 4WD FRONT AXLE, INTEGRATED HYDRAULIC LIFT, SUPPORT (25) - FRONT AXLE SYSTEM
1
10
10
2
37.166.ab (03)
5
2
13
25.100.av (06)
10
6
14
8
11
9
10
10.001.ad
7
12
3
11
4
25.100.av (06)
10
9
15
3
37.166.ad (03)
FIT
1:1
100%

Артикул

Название

Примечание

Количество

1

47664316

SUPPORT

1шт.

2

87304410

SPACER

2шт.

3

82015433

HEX SOC SCREW,FLAT, M10 x 1.5 x 25mm, Cl 10.9

4шт.

4

82019459

PLUG,Polypropylene Air cleaner hose

1шт.

5

83908579

PLUG,M7.62

2шт.

6

87643929

PLATE

less Switch External FHPL

1шт.

7

10902124

SCREW,Hex, M6 x 14mm, Cl 8.8

2шт.

8

14496501

WASHER,8.4mm ID x 17mm OD x 1.6mm Thk

2шт.

9

82037171

PLASTIC PLUG,22.00mm, 32.00mm OD

4шт.

10

85700666

PLASTIC PLUG,17.14mm, 22.22mm OD, 12.70mm D

16шт.

11

87523187

PLUG,M12 x 1.5

M12 x 1

2шт.

12

82023395

PLUG,60mm ID

2шт.

13

82023398

PLUG

1шт.

14

82027992

PLUG,80.00mm, 90.00mm OD, 32.00mm D

1шт.

15

47457860

PIN,31.5mm OD x 128mm L

1шт.

Выбрано товаров: 15