Запчасти Case IH MAXXUM 115 (31.104.BA) - VAR - 744740, 758439 - PTO, SHAFT & GEAR, GROUND SPEED (540/540E/1000 RPM) (31) - IMPLEMENT POWER TAKE OFF

Схема запчастей Case IH MAXXUM 115 - (31.104.BA) - VAR - 744740, 758439 - PTO, SHAFT & GEAR, GROUND SPEED (540/540E/1000 RPM) (31) - IMPLEMENT POWER TAKE OFF
31.114.ad (01)
5
7
4
11
4
8
3
9
12
1
2
6
14
10
13
10
15
31.116.ac (01)
27.106.ab
31.104.ay
21.118.af (01)
FIT
1:1
100%

Артикул

Название

Примечание

Количество

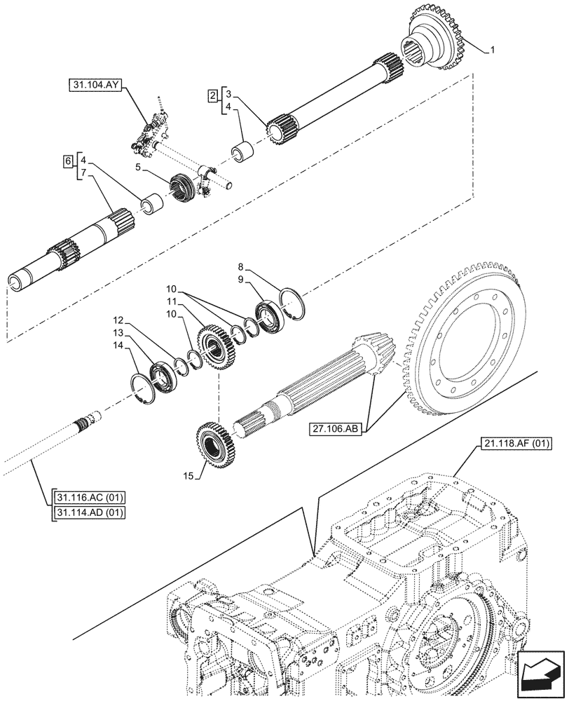
1

5198546

HUB,50T

Z 50

1шт.

2

47127365

DRIVE SHAFT

ASSY, Incl 3, 4 (Qty 1)

1шт.

3

47127358

DRIVE SHAFT,327mm L

327mm

1шт.

4

5107725

BUSHING,31.99mm ID x 36mm OD x 25mm L

2шт.

5

5192211

SLEEVE

1шт.

6

47132560

SHAFT

ASSY, Incl 4 (Qty 1), 7

1шт.

7

NSS

NOT SOLD SEPARAT

Shaft, 183mm, Incl in 6

1шт.

8

11062476

SNAP RING,M90, Int

1шт.

9

26794660

BALL BEARING,50.00mm x 90.00mm x 20.00mm

1шт.

10

5138419

SNAP RING,M50

3шт.

11

47127357

GEAR,36T

Z 36

1шт.

12

11386774

SNAP RING,M45, Ext

1шт.

13

20972850

BALL BEARING,45 mm ID x 85 mm OD x 19 mm

1шт.

14

11062176

CIRCLIP,M85, Int

1шт.

15

5198800

GEAR,37T

Z 37

1шт.

Выбрано товаров: 15