Запчасти Case IH MAXXUM 115 (33.000.00[03]) - SECTION INDEX - BRAKES & CONTROLS (33) - BRAKES & CONTROLS

Схема запчастей Case IH MAXXUM 115 - (33.000.00[03]) - SECTION INDEX - BRAKES & CONTROLS (33) - BRAKES & CONTROLS
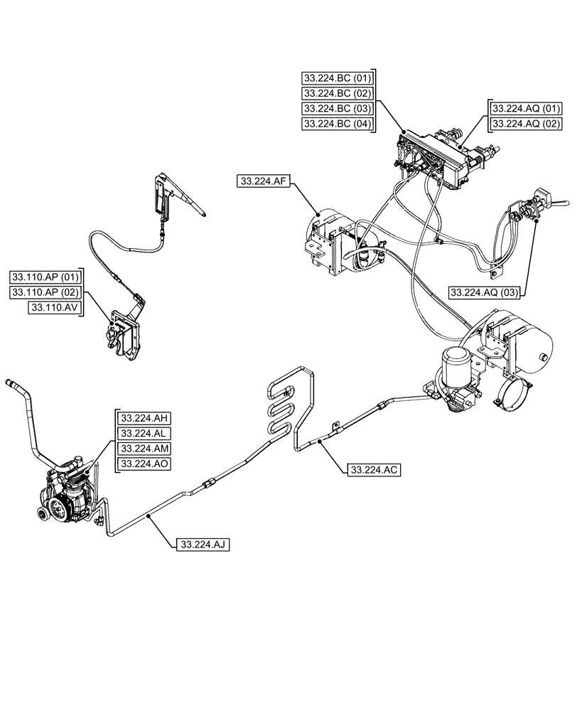
33.224.bc (04)
33.110.ap (02)
33.224.bc (03)
33.224.al
33.224.aj
33.224.aq (01)
33.224.bc (01)
33.224.af
33.224.ao
33.224.am
33.224.ah
33.110.ap (01)
33.110.av
33.224.aq (03)
33.224.aq (02)
33.224.bc (02)
33.224.ac
FIT
1:1
100%