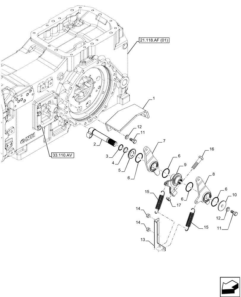
Запчасти Case IH MAXXUM 115 (33.110.AP[01]) - VAR - 396247, 758442, 758549 - PARKING BRAKE, EXTERNAL CONTROL (33) - BRAKES & CONTROLS

Схема запчастей Case IH MAXXUM 115 - (33.110.AP[01]) - VAR - 396247, 758442, 758549 - PARKING BRAKE, EXTERNAL CONTROL (33) - BRAKES & CONTROLS
21.118.af (01)
11
2
17
14
13
5
8
3
9
15
6
6
4
11
6
1
16
6
7
12
14
10
12
15
33.110.av
FIT
1:1
100%

Артикул

Название

Примечание

Количество

1

87689273

BRACKET

1шт.

2

47611844

LEVER

1шт.

3

14458080

O-RING,0.103" Thk x 1.11" ID, -122, Cl 5, 75 Duro

1шт.

4

5198146

SHIM,28.1mm ID x 31.9mm OD x 4mm Thk

1шт.

5

87689269

SHIM,28mm ID x 59mm OD x 3.7mm Thk

1шт.

6

14455080

O-RING,50.52mm ID x 1.78mm

4шт.

7

87689320

BRAKE LEVER

1шт.

8

87689319

BRAKE LEVER

1шт.

9

87689271

HUB

1шт.

10

87689270

SHIM,12.5mm ID x 59mm OD x 6.7mm Thk

1шт.

11

15540421

SCREW,Hex, M12 x 1.25 x 30mm, Cl 8.8, Full Thd

3шт.

12

11190774

BELLEVILLE WASHER,M12 Bolt Size x 24mm OD x 2.8mm Thk

3шт.

13

84573451

PLATE

1шт.

14

87754139

SPACER,11mm ID x 20mm OD x 8mm L

2шт.

15

5127295

SPRING,Extension, 24mm OD x 100mm L

2шт.

16

87741803

SET SCREW,Hex, M16 x 1.25 x 70mm

1шт.

17

10791411

THIN NUT,Thin, M16, 1.50mm Pitch, 8.00mm High, Cl 04, ZND

1шт.

Выбрано товаров: 0