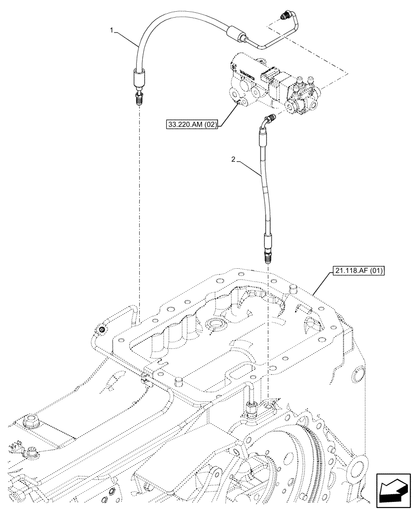
Запчасти Case IH MAXXUM 115 (33.202.AP[03]) - VAR - 744783, 744784, 744785 - BRAKE LINE (33) - BRAKES & CONTROLS

Схема запчастей Case IH MAXXUM 115 - (33.202.AP[03]) - VAR - 744783, 744784, 744785 - BRAKE LINE (33) - BRAKES & CONTROLS
33.220.am (02)
1
2
21.118.af (01)
FIT
1:1
100%

Артикул

Название

Примечание

Количество

1

47719644

HOSE

RH, Aux Brake Pilot

1шт.

2

47719640

HOSE,4.75mm ID x 350mm L

LH, Aux Brake Pilot, 4.75mm ID x 9.4mm OD x 350mm

1шт.

Выбрано товаров: 2