Запчасти Case IH MAXXUM 115 (37.000.00[02]) - SECTION INDEX - HITCHES, DRAWBARS AND IMPLEMENT COUPLINGS (37) - HITCHES, DRAWBARS & IMPLEMENT COUPLINGS

Схема запчастей Case IH MAXXUM 115 - (37.000.00[02]) - SECTION INDEX - HITCHES, DRAWBARS AND IMPLEMENT COUPLINGS (37) - HITCHES, DRAWBARS & IMPLEMENT COUPLINGS
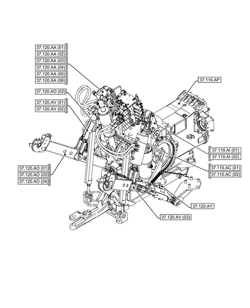
37.120.aa (03)
37.120.ao (02)
37.120.ao (03)
37.110.ap
37.120.aa (01)
37.120.aa (04)
37.120.aa (02)
37.120.ao (01)
37.120.ay
37.120.av (03)
37.120.ao (04)
37.110.ac (01)
37.110.ai (01)
37.110.ac (02)
37.120.aa (06)
37.120.aa (05)
37.120.av (02)
37.120.av (01)
37.110.ai (02)
FIT
1:1
100%