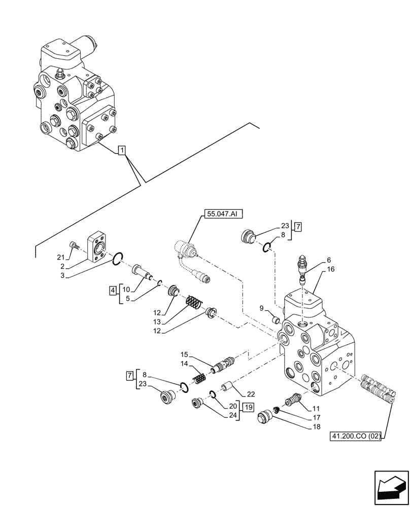
Запчасти Case IH MAXXUM 115 (41.200.CO[03]) - VAR - 743723 - STEERING VALVE, W/ FAST STEER™ SYSTEM, COMPONENTS (41) - STEERING

Схема запчастей Case IH MAXXUM 115 - (41.200.CO[03]) - VAR - 743723 - STEERING VALVE, W/ FAST STEER™ SYSTEM, COMPONENTS (41) - STEERING
55.047.ai
12
15
5
7
19
17
8
2
23
22
3
6
21
18
13
23
14
9
16
11
20
10
4
12
24
1
8
7
41.200.co (02)
FIT
1:1
100%

Артикул

Название

Примечание

Количество

1

87589947

HYDRAULIC VALVE

ASSY, Incl 2 - 24

1шт.

2

47128848

FLANGE

1шт.

3

14453981

O-RING,0.989" ID x 0.07" Width

1шт.

4

47128851

PIN,Hex Socket, M8 x 25.00mm

ASSY, Incl 5, 10

1шт.

5

47129253

SEALING RING

1шт.

6

87560591

ELECTRIC CABLE

1шт.

7

47128844

PLUG

ASSY, Incl 8 (Qty 1), 23 (Qty 1)

2шт.

8

14457381

O-RING,17.12mm ID x 2.62" Width

2шт.

9

10269401

PLUG,Taper Thd, Hex Skt, M12 x 1.5 x 11mm, 4.8

1шт.

10

NSS

NOT SOLD SEPARAT

Pin, Incl in 4

1шт.

11

87705325

VALVE

2шт.

12

47128852

BUSHING

2шт.

13

47128855

SPRING

1шт.

14

47128856

SPRING

1шт.

15

87705323

SPOOL

1шт.

16

NSS

NOT SOLD SEPARAT

Body Valve, Incl in 1

1шт.

17

87705326

VALVE SPRING

2шт.

18

87705327

PLUG

2шт.

19

47128841

PLUG

ASSY, Incl 20, 24

1шт.

20

14452980

O-RING,9.25mm ID x 1.78" Width

1шт.

21

14305773

SCREW,M6 x 14mm

4шт.

22

13804421

SET SCREW,Hex Skt, M5 x 6mm, Flat Pt

1шт.

23

NSS

NOT SOLD SEPARAT

Plug, Incl in 7

2шт.

24

NSS

NOT SOLD SEPARAT

Plug, Incl in 19

1шт.

Выбрано товаров: 0