Запчасти Case IH MAXXUM 115 (50.200.AK[04]) - VAR - 390643, 758482 - AIR CONDITIONING, CONDENSER, LINE - END YR 31-JAN-2016 (50) - CAB CLIMATE CONTROL

Схема запчастей Case IH MAXXUM 115 - (50.200.AK[04]) - VAR - 390643, 758482 - AIR CONDITIONING, CONDENSER, LINE - END YR 31-JAN-2016 (50) - CAB CLIMATE CONTROL
10.001.ad
18
12
14
16
23
8
11
4
8
13
7
6
9
8
19
3
8
2
20
10
22
8
1
24
21
8
17
15
5
50.100.ap (01)
FIT
1:1
100%

Артикул

Название

Примечание

Количество

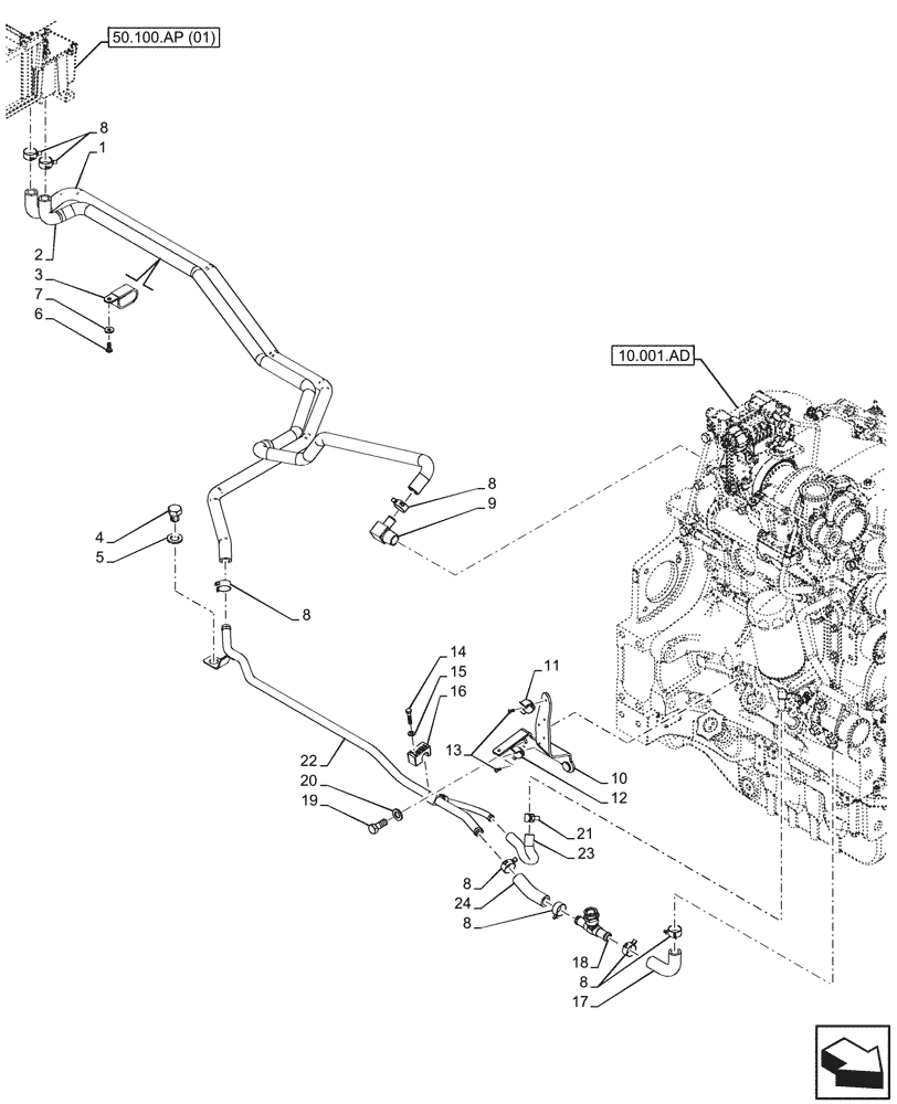
1

47842264

HOSE

Heater, Return

1шт.

2

47842265

HEATER HOSE

Heater, Return

1шт.

3

82023568

CLAMP,2 Hoses

1шт.

4

15859421

BOLT,Hex, M16 x 20mm, Cl 8.8, Full Thd

1шт.

5

86511326

WASHER,17mm ID x 30mm OD x 3mm Thk

1шт.

6

81853129

SCREW,Pozidriv Pan Hd, M6 x 16mm, Cl 4.8, Full Thd

1шт.

7

10523401

WASHER,6.15mm ID x 18mm OD x 2mm Thk

1шт.

8

82019905

HOSE CLAMP,22 - 26mm X 12mm

8шт.

9

87302771

ADAPTER

1шт.

10

47618765

BRACKET

1шт.

11

47439927

SPRING CLIP,17-20mm OD

2шт.

12

47439926

SPRING CLIP,12.0-16.0mm D

2шт.

13

47511292

SCREW,Hex, M4 x 0.7 x 10mm

4шт.

14

43117

SCREW,Hex, M6 x 1.0 x 30mm, Cl 8.8

1шт.

15

86588450

WASHER,6.6mm ID x 12mm OD x 1.6mm Thk

1шт.

16

87326640

CLAMP,16mm ID

1шт.

17

47620065

ELBOW UNION

1шт.

18

84283392

UNION TEE

1шт.

19

9706687

BOLT,M12 x 1.75 x 30mm, Cl 8.8

1шт.

20

86625255

WASHER,13.3mm ID x 24.5mm OD x 3mm Thk

1шт.

21

87443510

HOSE CLAMP,18.4mm Static ID x 15mm W

1шт.

22

47793771

PIPE

Heater, 4 Cyl

1шт.

23

47793800

TUBE

Heater, Return

1шт.

24

47551332

HOSE

Heater, Return

1шт.

Выбрано товаров: 24