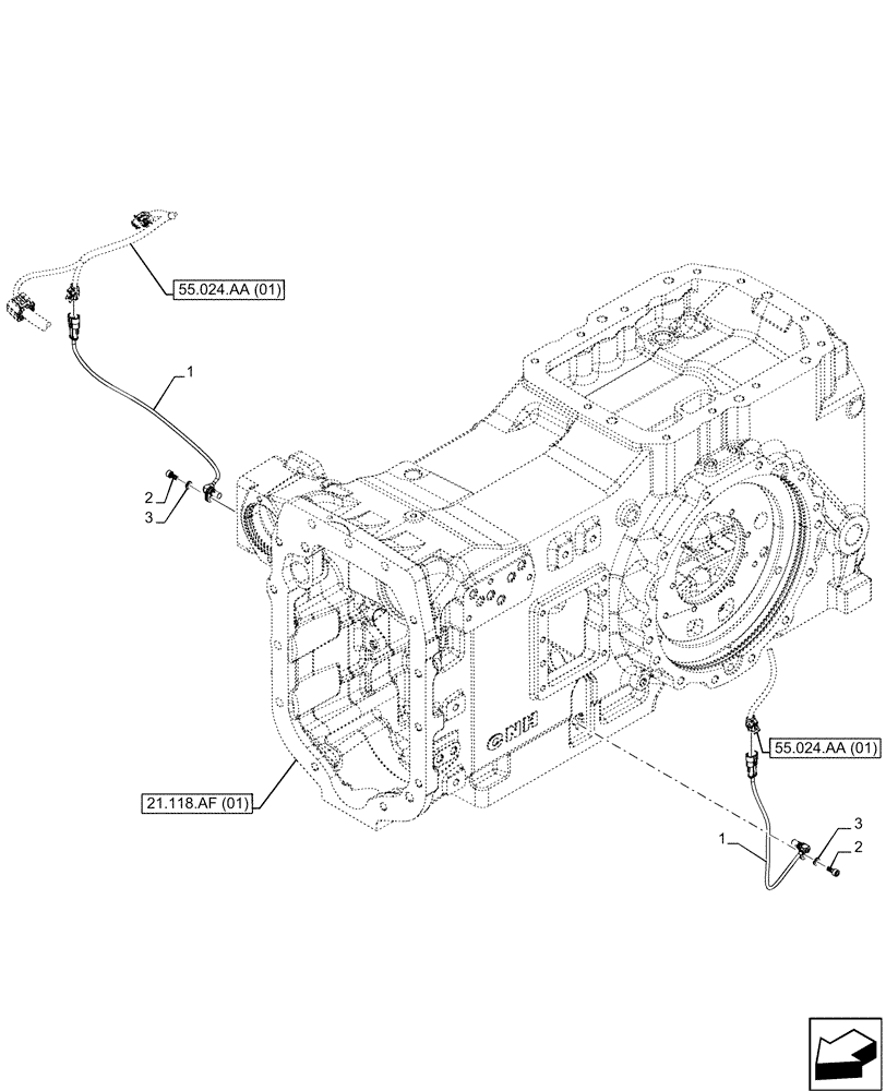
Запчасти Case IH MAXXUM 115 (55.020.AB[02]) - VAR - 396247, 758442, 758549 - TRANSMISSION HOUSING, SPEED SENSOR (55) - ELECTRICAL SYSTEMS

Схема запчастей Case IH MAXXUM 115 - (55.020.AB[02]) - VAR - 396247, 758442, 758549 - TRANSMISSION HOUSING, SPEED SENSOR (55) - ELECTRICAL SYSTEMS
55.024.aa (01)
1
2
3
3
2
1
21.118.af (01)
55.024.aa (01)
FIT
1:1
100%

Артикул

Название

Примечание

Количество

1

84243033

SENSOR

Wheel Speed

2шт.

2

47627370

HEX SOC SCREW,Hex Soc, M6 x 14, Cl 8.8

2шт.

3

14499301

WASHER,M6 x 12.00mm OD x 1.60mm Overwrite

2шт.

Выбрано товаров: 3