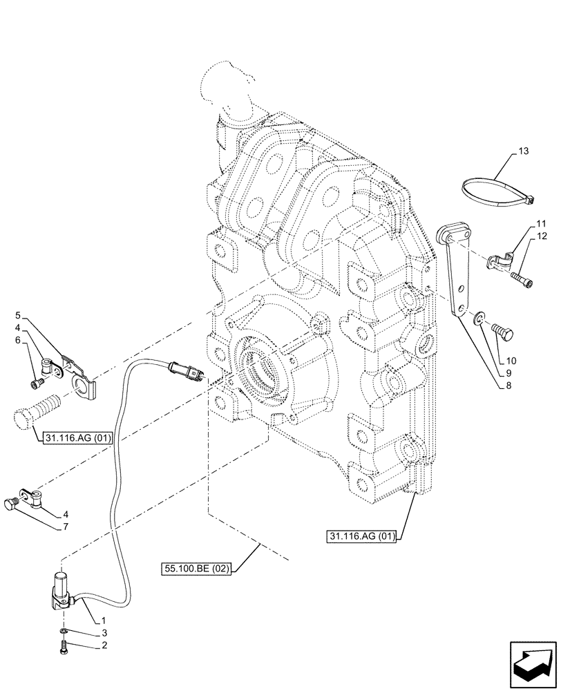
Запчасти Case IH MAXXUM 115 (55.048.AI[01]) - VAR - 390801, 744740, 758436, 758437, 758439 - PTO, SPEEDOMETER (PTO 540/540E/1000 RPM) (55) - ELECTRICAL SYSTEMS

Схема запчастей Case IH MAXXUM 115 - (55.048.AI[01]) - VAR - 390801, 744740, 758436, 758437, 758439 - PTO, SPEEDOMETER (PTO 540/540E/1000 RPM) (55) - ELECTRICAL SYSTEMS
31.116.ag (01)
2
9
12
3
6
4
11
1
7
8
10
13
5
4
55.100.be (02)
31.116.ag (01)
FIT
1:1
100%

Артикул

Название

Примечание

Количество

1

84555913

SENSOR

PTO Speedometer

1шт.

2

10977724

BOLT,M5 x 14.00mm, Cl 8.8, DAC

2шт.

3

10571474

LOCK WASHER,5.10mm ID x 9.20mm OD x 1.20mm, C72, DAC

2шт.

4

10449890

CLAMP,6mm, Coat, 9mm Bolt Hole, P Type

1шт.

5

47562468

BRACKET

1шт.

6

14305021

HEX SOC SCREW,M6 x 10mm, Cl 8.8, Full Thd

1шт.

7

16042924

SCREW,Hex, M8 x 1.25 x 10mm, Cl 8.8, Full Thd

1шт.

8

87622226

BRACKET

1шт.

9

14496521

WASHER,8.4mm ID x 17mm OD x 1.6mm Thk

2шт.

10

16043421

BOLT,Hex, M8 x 1.25 x 20mm, Cl 8.8, Full Thd

2шт.

11

82026579

CLAMP,44.4mm L x 16mm W

1шт.

12

14305424

HEX SOC SCREW,M6 x 25mm, Cl 8.8, Full Thd

2шт.

13

14560287

CABLE TIE,207.00mm L

1шт.

Выбрано товаров: 13