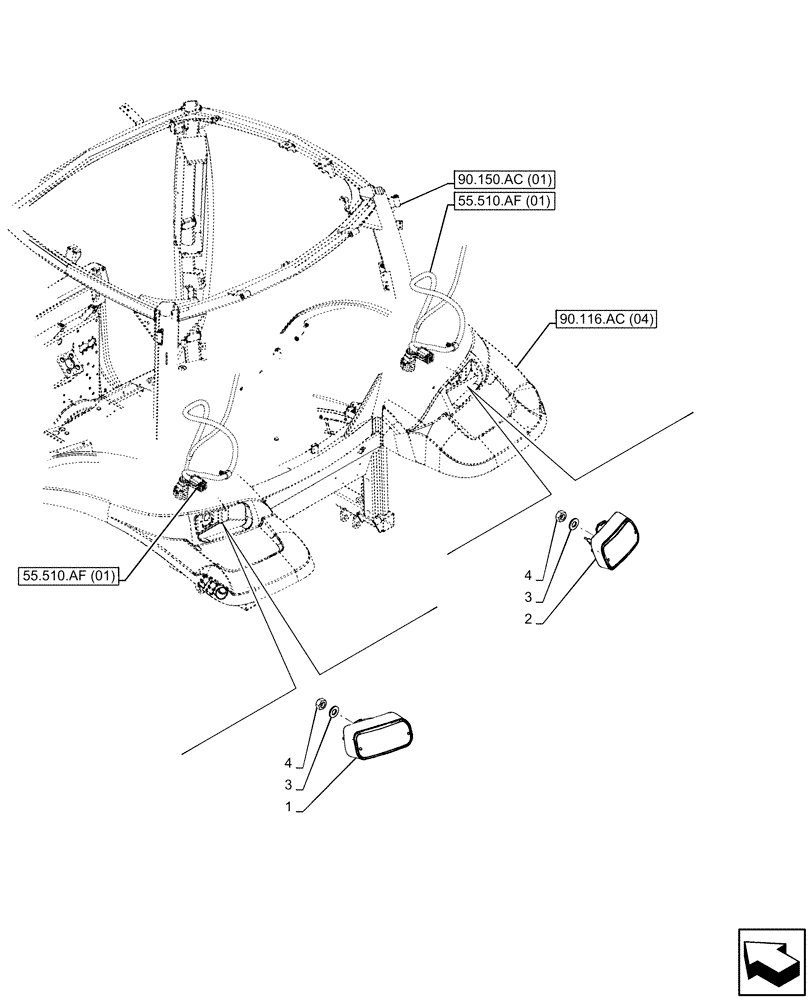
Запчасти Case IH MAXXUM 115 (55.404.BM[02]) - VAR - 392208, 743726, 744940 - REAR LIGHT, EU (55) - ELECTRICAL SYSTEMS

Схема запчастей Case IH MAXXUM 115 - (55.404.BM[02]) - VAR - 392208, 743726, 744940 - REAR LIGHT, EU (55) - ELECTRICAL SYSTEMS
90.116.ac (04)
2
1
3
4
4
3
55.510.af (01)
90.150.ac (01)
55.510.af (01)
FIT
1:1
100%

Артикул

Название

Примечание

Количество

1

87536435

TAIL LAMP,12V, 21W, Amber/Red

LH

1шт.

2

87536434

TAIL LAMP,12V, 21W, Amber/Red

RH

1шт.

3

14496401

WASHER,M6.4 x 12.00mm x 1.60mm

4шт.

4

9706755

NUT,M6, Cl 8

4шт.

Выбрано товаров: 4