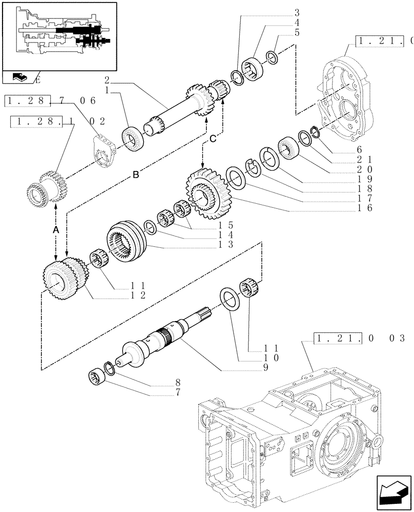
Запчасти Case IH MAXXUM 115 (1.32.1[01]) - TRANSMISSION 16X16 OR 17X16 - REDUCTION GEARS AND SHAFTS (03) - TRANSMISSION

Схема запчастей Case IH MAXXUM 115 - (1.32.1[01]) - TRANSMISSION 16X16 OR 17X16 - REDUCTION GEARS AND SHAFTS (03) - TRANSMISSION
4
8
14
5
21
11
2
18
1
17
11
12
16
10
9
15
home
1.21.0 03
1.21.0 02
1.28.1 02
1.28.7 06
6
7
19
3
13
20
FIT
1:1
100%

Артикул

Название

Примечание

Количество

1

82857005

BEARING ASSY,59.98mm ID x 84.98mm OD x 15.95mm W

1шт.

2

87396959

DRIVE SHAFT,415mm L

1шт.

2

47137609

DRIVE SHAFT

1шт.

30 Km/H for Transmission 16x16, VAR.332245

1шт.

3

81863725

SPACER

1шт.

4

81863141

BEARING ASSY,52mm ID x 89.98mm OD x 22.88mm W

1шт.

5

47137455

OIL SEAL,32mm ID x 40mm OD x 4mm Thk

32 x 40 x 4

1шт.

6

81863365

RING

1шт.

7

81863940

BEARING ASSY,Needle, 31mm ID x 52mm OD x 29mm W

1шт.

8

11060576

SNAP RING,M52, Int

1шт.

9

47127095

SHAFT,371.5mm L

1шт.

10

81866547

THRUST WASHER,58.4mm ID x 76mm OD x 2.45mm Thk

1шт.

11

81863574

BEARING ASSY,58mm ID x 65mm OD x 17.8mm W

2шт.

12

87396960

GEAR

1шт.

12

5195032

GEAR

1шт.

30 Km/H for Transmission 16x16, VAR.332245

1шт.

13

5196249

SYNCHRONIZER

High/Low Range

1шт.

14

47126700

SNAP RING

1шт.

15

81863673

BEARING ASSY,Needle, 55mm ID x 61.99mm OD x 17.8mm W

2шт.

16

47127127

DRIVEN GEAR

1шт.

17

5199957

SPACER

1шт.

18

5134792

SNAP RING,50.80mm ID, 3mm Thk

D=55

1шт.

19

11061976

SNAP RING,M80, Int

1шт.

20

81863568

BEARING ASSY

1шт.

21

81869768

WASHER

1шт.

Выбрано товаров: 25