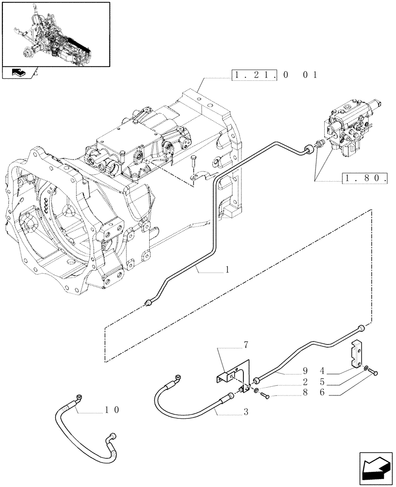
Запчасти Case IH MAXXUM 115 (1.32.8[04]) - FRONT DIFFERENTIAL LOCK PIPES (03) - TRANSMISSION

Схема запчастей Case IH MAXXUM 115 - (1.32.8[04]) - FRONT DIFFERENTIAL LOCK PIPES (03) - TRANSMISSION
4
6
home
1.80.7 05
1.21.0 01
9
7
3
10
8
5
2
1
FIT
1:1
100%

Артикул

Название

Примечание

Количество

1

87561351

RIGID TUBE,10 mm OD

Front Differential Lock

1шт.

2

12646704

WASHER,8.15mm ID x 20mm OD x 2mm Thk

1шт.

2

14496504

WASHER,8.4mm ID x 17mm OD x 1.6mm Thk

2шт.

3

87352542

HOSE,550.00mm

Power Steering

1шт.

4

82029228

CLAMP,2 Hoses

1шт.

5

9824259

WASHER,6.4mm ID x 12mm OD x 1.6mm Thk

2шт.

6

87317695

BOLT,Hex, M6 x 30mm, Cl 10.9, Full Thd

2шт.

7

87317792

SUPPORT

1шт.

8

16043224

BOLT,Hex, M8 x 16mm, Cl 8.8

3шт.

9

87540061

TUBE,8 mm ID x 10 mm OD x 364, 89 mm L

Front Differential Lock

1шт.

Maxxum 110, Maxxum 120, Maxxum 130

1шт.

9

87540060

HYD TUBE,8 mm ID x 10 mm OD x 604, 46 mm L

Front Differential Lock

1шт.

Maxxum 115, Maxxum 125, Maxxum 140

1шт.

9

87543758

TUBE,8 mm ID x 10 mm OD x 410, 315 mm L

Front Differential Lock

1шт.

Suspended Front Axle Cl.3 with Hydraulic Differential Lock and Steerlng Sensor, VAR.330414-330427

1шт.

Maxxum 110, Maxxum 120, Maxxum 130

1шт.

9

87543759

TUBE,8 mm ID x 10 mm OD x 650, 555 mm L

Front Differential Lock

1шт.

Suspended Front Axle Cl.3 with Hydraulic Differential Lock and Steerlng Sensor, VAR.330414-330427

1шт.

Suspended Front Axle Cl.4 with Multi-Plate Differential Lock and Steering Sensor, VAR.330429-330430

1шт.

Maxxum 115, Maxxum 125, Maxxum 140

1шт.

10

82036783

FLEXIBLE HOSE,9.53mm ID x 580mm L, SAE 100R2

Power Steering

1шт.

Suspended Front Axles, VAR.330414-330427-330429-330430

1шт.

Выбрано товаров: 22