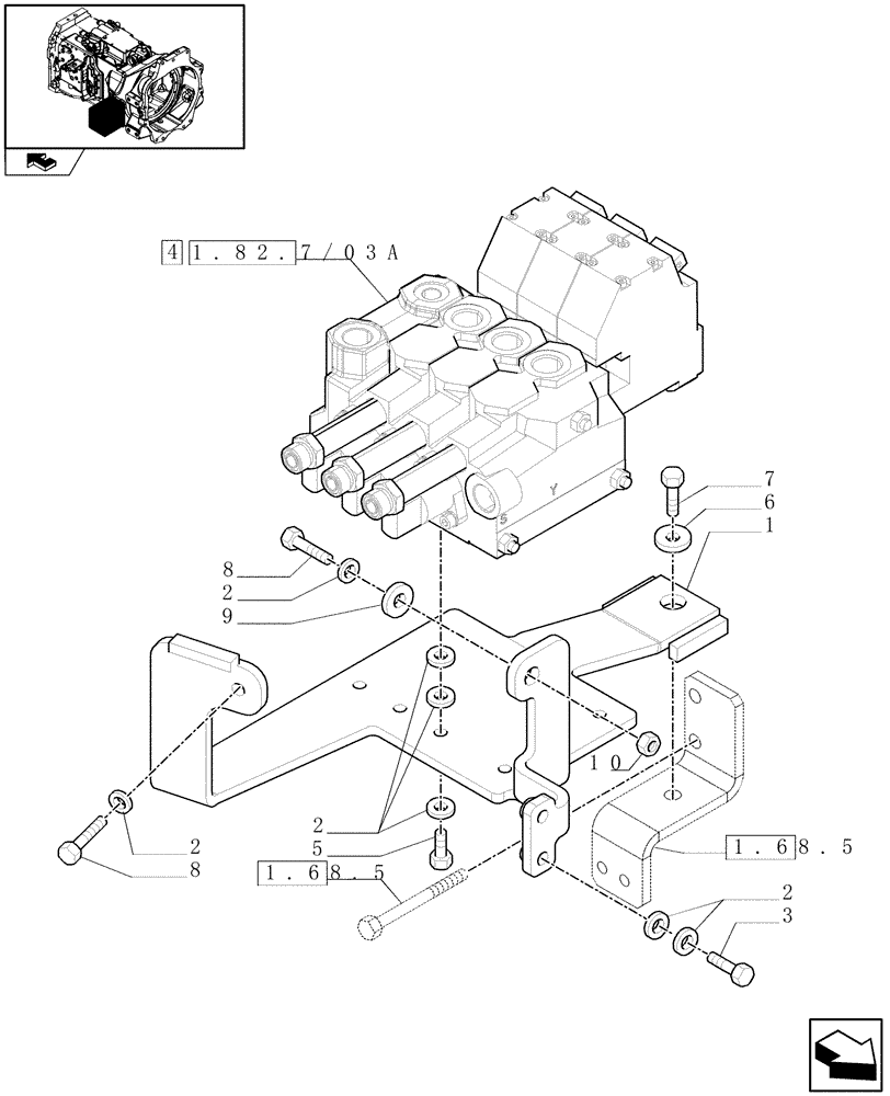
Запчасти Case IH MAXXUM 115 (1.82.7/03[01]) - 3 ELECTRONIC MID MOUNTED VALVES - DISTRIBUTOR AND SUPPORT (VAR.330561-333561) (07) - HYDRAULIC SYSTEM

Схема запчастей Case IH MAXXUM 115 - (1.82.7/03[01]) - 3 ELECTRONIC MID MOUNTED VALVES - DISTRIBUTOR AND SUPPORT (VAR.330561-333561) (07) - HYDRAULIC SYSTEM
8
7
2
3
1.82.7/03a
home
10
1
8
5
2
9
1.68.5
1.68.5
4
6
2
2
FIT
1:1
100%

Артикул

Название

Примечание

Количество

1

84169311

SUPPORT

1шт.

2

14496501

WASHER,8.4mm ID x 17mm OD x 1.6mm Thk

7шт.

3

16043621

BOLT,Hex, M8 x 1.25 x 25mm, Cl 8.8, Full Thd

2шт.

4

82038054

CONTROL VALVE

, Serial Range: -C6544

1шт.

4

84214465

CONTROL VALVE

, Start Serial: D6544

1шт.

5

16043421

BOLT,Hex, M8 x 1.25 x 20mm, Cl 8.8, Full Thd

3шт.

6

83903813

SPACER,9.80-10.29mm ID x 28.4mm OD x 2.8mm Thk

1шт.

7

11106421

SCREW,Hex, M10 x 1.5 x 30mm, Cl 8.8

1шт.

8

15213321

BOLT,Hex, M8 x 1.25 x 35mm, Cl 8.8

2шт.

9

12628901

WASHER,8.15mm ID x 25mm OD x 4mm Thk

M8 x 25 x 4

1шт.

10

16100811

NUT,Hex, M8, 6.80mm, Cl 8, ZND

1шт.

Выбрано товаров: 11