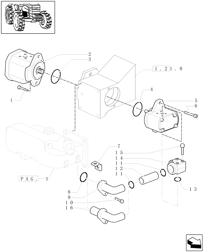
Запчасти Case IH MAXXUM 115 (1.32.8[02]) - PUMPS FOR HYDRAULIC SYSTEM AND LIFT (63 L/MIN) (03) - TRANSMISSION

Схема запчастей Case IH MAXXUM 115 - (1.32.8[02]) - PUMPS FOR HYDRAULIC SYSTEM AND LIFT (63 L/MIN) (03) - TRANSMISSION
2
8
12
15
14
16
10
1
9
7
pag. 1
4
11
3
13
6
5
1.21.0
11
FIT
1:1
100%

Артикул

Название

Примечание

Количество

1

14311721

HEX SOC SCREW,M14 x 1.5 x 40mm, Cl 8.8, Full Thd

2шт.

2

87395822

HYDRAULIC PUMP,25.2CC

63 l/min

1шт.

Fixed Displacement, for Hydraulic Lift System

1шт.

2

87395822R

REMAN-HYD PUMP,25.2CC

63 l/min. Fixed Displacement, for Hydraulic Lift System

1шт.

2

87395822C

CORE-HYDRAULIC PUMP

Return Number

1шт.

3

14461380

O-RING,0.103" Thk x 3.987" ID, -155, Cl 5, 75 Duro

1шт.

4

14461080

O-RING,0.103" Thk x 3.237" ID, -152, Cl 5, 75 Duro

1шт.

5

5192657

HYDRAULIC PUMP

16cc, with 12 x 12 and 24 x 24, Serial Range: -C5966

1шт.

for Steering and Low Pressure Oil System

1шт.

5

87603409

HYDRAULIC PUMP,16.76 CC

16cc, wit 12 x 12 and 24 x 24, Start Serial: D5966

1шт.

for Steering and Low Pressure Oil System

1шт.

5

87314177

HYDRAULIC PUMP,19.69 CC

19cc, with 16 x 16

1шт.

for Steering and Low Pressure Oil System

1шт.

5

87314177R

REMAN-HYD PUMP

MAXXUM 100, MAXXUM 110, MAXXUM 115, MAXXUM 125 all (1/07-)

1шт.

5

87314177C

CORE-HYDRAULIC PUMP

Return Number

1шт.

6

14307421

HEX SOC SCREW,M10 x 1.25 x 25mm, Cl 8.8

2шт.

7

82023638

BRACKET

1шт.

8

14463681

O-RING,31.34mm ID x 3.53" Width

1шт.

9

5192920

MANIFOLD

, Serial Range: -C5985

1шт.

10

14306321

HEX SOC SCREW,M8 x 20mm, Cl 8.8

1шт.

11

14458180

O-RING,0.103" Thk x 1.174" ID, -123, Cl 5, 75 Duro

2шт.

12

5192921

TUBE

1шт.

13

2852978

O-RING,0.103" Thk x 0.924" ID, -119, Cl 7, 75 Duro

1шт.

14

5192922

FLANGE

, Serial Range: -C5966

1шт.

14

87602545

COUPLING FLANGE

, Start Serial: D5966

1шт.

15

10903624

BOLT,Hex, M6 x 50mm, Cl 8.8

4шт.

16

87733569

MANIFOLD

, Start Serial: D5985

1шт.

Выбрано товаров: 27