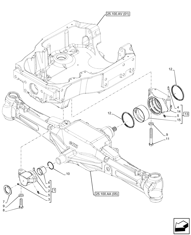
Запчасти Case IH MAXXUM 115 (25.100.AI[04]) - VAR - 758425, 758426 - AXLE SUPPORT, ARTICULATION, SUSPENDED FRONT AXLE WITH HYDR. DIFF. LOCK & STRG SENSOR (25) - FRONT AXLE SYSTEM

Схема запчастей Case IH MAXXUM 115 - (25.100.AI[04]) - VAR - 758425, 758426 - AXLE SUPPORT, ARTICULATION, SUSPENDED FRONT AXLE WITH HYDR. DIFF. LOCK & STRG SENSOR (25) - FRONT AXLE SYSTEM
25.100.av (01)
9
10
12
9
14
12
4
11
13
5
1
3
7
6
5
2
4
8
15
25.100.aa (05)
FIT
1:1
100%

Артикул

Название

Примечание

Количество

1

87311589

TRUNNION

ASSY, Incl 2- 6

1шт.

2

87311590

TRUNNION

1шт.

3

13411117

VALVE PRESSURE RELIE,M10, Black

1шт.

4

10837710

DOWEL,M10 x 25

2шт.

5

13407211

LUBE NIPPLE,M10 x 1

1шт.

6

5101112

BUSHING,52.72mm ID x 57.16mm OD x 42mm L

1шт.

7

5140456

RING,52.8mm ID x 80mm OD x 5mm Thk

1шт.

8

15222234

BOLT,Hex, M18 x 70mm, Cl 10.9, Full Thd

2шт.

9

11191674

BELLEVILLE WASHER,M18 Bolt Size x 36mm OD x 4.2mm Thk

4шт.

10

14471380

O-RING,0.21" Thk x 2.1" ID, -330, Cl 5, 75 Duro

1шт.

11

15223534

BOLT,Hex, M18 x 140mm, Cl 10.9, Full Thd

2шт.

12

5188607

SEAL,115.5mm ID x 130mm OD x 7.5mm Thk

2шт.

13

87311603

TRUNNION

ASSY, Incl 4, 5, 14, 15

1шт.

14

87311604

TRUNNION

1шт.

15

5140589

BUSHING,115.64mm ID x 120.19mm OD x 52mm L

1шт.

Выбрано товаров: 0