Запчасти Case IH MAXXUM 115 (25.102.AC[07]) - VAR - 758422, 758423 - SUSPENDED FRONT AXLE WITH HYDR. DIFF. LOCK & STRG SENSOR, DIFFERENTIAL, BEVEL GEAR (25) - FRONT AXLE SYSTEM

Схема запчастей Case IH MAXXUM 115 - (25.102.AC[07]) - VAR - 758422, 758423 - SUSPENDED FRONT AXLE WITH HYDR. DIFF. LOCK & STRG SENSOR, DIFFERENTIAL, BEVEL GEAR (25) - FRONT AXLE SYSTEM
25.102.ac (08)
11
3
7
5
14
6
9
2
1
12
13
4
14
10
8
25.102.ac (05)
25.102.ad (02)
FIT
1:1
100%

Артикул

Название

Примечание

Количество

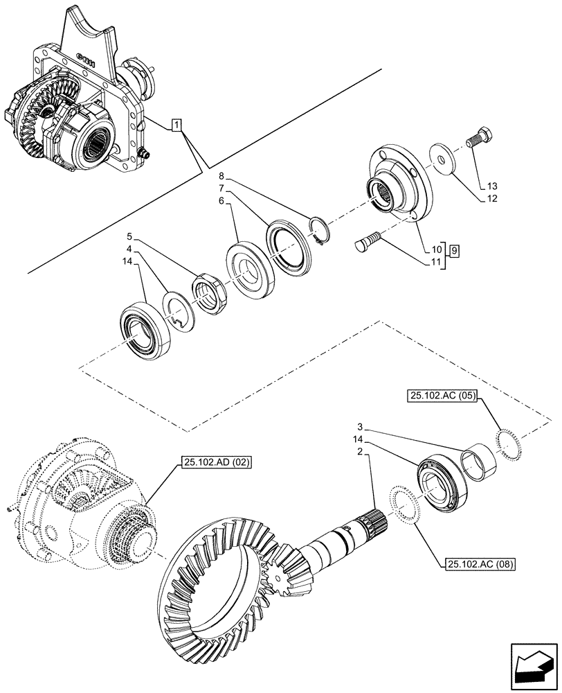
1

87657522

DIFFERENTIAL ASSY

ASSY, Incl 2 - 14

1шт.

See also Differential Components in Figure 25.102.AC (05), 25.102.AC (06), 25.102.AC (08), 25.102.AD (02), 25.102.AS (02)

1шт.

2

47582843

BEVEL GEAR

Ratio 10/34

1шт.

3

5197256

SPACER

1шт.

4

84161677

E-RING

1шт.

5

84289762

NUT,M40,1.5mm Pitch

1шт.

6

87349657

SEAL,37mm ID x 85mm OD x 15.5mm Thk

1шт.

7

87528144

SEAL PROTECTION

1шт.

8

11068476

SNAP RING,M36, Ext

1шт.

9

87350786

FLANGE

ASSY, Incl 10, 11

1шт.

10

NSS

NOT SOLD SEPARAT

Hub Driveshaft, Incl in 9

1шт.

11

87550808

PIN,12.5mm OD x 37mm L

4шт.

12

87350787

WASHER

1шт.

13

15540434

SCREW,Hex, M12 x 1.25 x 30mm, Cl 10.9, Full Thd

1шт.

14

5143109

TAPERED BEARING,41.27mm x 82.55mm x 26.54mm

2шт.

Выбрано товаров: 15