Запчасти Case IH MAXXUM 120 (31.114.AO[03]) - VAR - 330800 - 2 SPEED REAR PTO WITH REVERSIBLE SHAFT - SPEED SELECTION INTERNAL CONTROLS (31) - IMPLEMENT POWER TAKE OFF

Схема запчастей Case IH MAXXUM 120 - (31.114.AO[03]) - VAR - 330800 - 2 SPEED REAR PTO WITH REVERSIBLE SHAFT - SPEED SELECTION INTERNAL CONTROLS (31) - IMPLEMENT POWER TAKE OFF
10
3
home
4
9
6
5
7
1
31.114.af 02
11
31.114.af 02
8
2
31.114.ah 02
FIT
1:1
100%

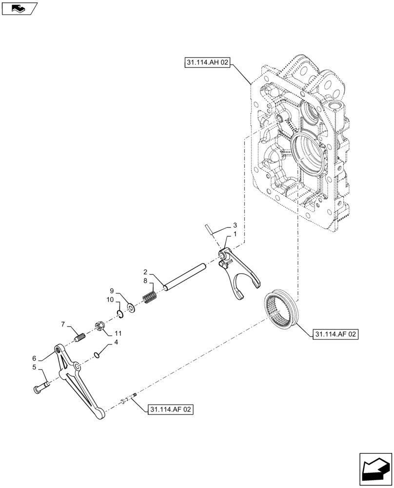
Артикул

Название

Примечание

Количество

1

5197556

SHIFTER FORK,102mm Int, 2 Speed

1шт.

2

5192165

ROD,16mm OD x 159mm L

1шт.

3

13910370

ROLL PIN,6mm OD x 30mm L

1шт.

4

11065976

CIRCLIP,M10, Ext

1шт.

5

5198749

PIN,9.6mm OD x 52.5mm L

1шт.

6

5197557

LEVER

1шт.

7

5193077

SPECIAL PIN,M12

1шт.

8

5193076

SPRING,Compression, 21.5mm OD x 91mm L

1шт.

9

13507701

WASHER,16.4mm ID x 27mm OD x 2mm Thk

1шт.

10

300625

SNAP RING,M16, Ext

1шт.

11

16103614

THIN NUT,Thin, M12, 1.25 Pitch, Cl 04

1шт.

Выбрано товаров: 11