Запчасти Case IH MAXXUM 120 (21.109.AD[03]) - VAR- 390283 - TRANSMISSION, COOLING SYSTEM LINE (21) - TRANSMISSION

Схема запчастей Case IH MAXXUM 120 - (21.109.AD[03]) - VAR- 390283 - TRANSMISSION, COOLING SYSTEM LINE (21) - TRANSMISSION
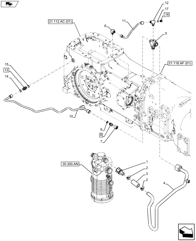
15
13
6
10
8
14
11
17
1
3
9
4
35.300.an
21.112.ac (01)
2
21.118.af (01)
12
2
5
16
7
FIT
1:1
100%

Артикул

Название

Примечание

Количество

1

87381694

HYD CONNECTOR,21mm D x 22mm D

1шт.

2

82036709

HOSE CLAMP,25mm - 40mm, Worm Gear

2шт.

3

87653735

HOSE,25mm ID x 70mm L

1шт.

4

84572424

TUBE

From Filter

1шт.

5

47411875

PIPE FITTING,1"-14 x M27 x 2 x 1"7/16

1шт.

6

47416747

90 ELBOW

1шт.

7

85802819

TUBE NUT,1"-14 x 24mm L

1шт.

8

84989629

HYD CONNECTOR,13/16" - 16 ORB x 1" ORFS

ASSY, Incl 9

1шт.

9

9992298

O-RING,0.07" Thk x 0.489" ID, -14, Cl 6, 90 Duro

1шт.

10

47436053

HYD TUBE

To PTO

1шт.

11

47436055

HYD TUBE

1шт.

12

84371830

TEE,11/16"-16 ORFS x M14 x 1.5 ORB x M14 x 1.5

1шт.

13

5194065

HYD CONNECTOR,M18 x 1.5 x 36mm

ASSY, Incl 14 - 15

1шт.

14

14437985

O-RING,15.3mm ID x 2.4mm

1шт.

15

5185511

O-RING,1.78mm Thk x 12.42mm ID, 85 Duro

1шт.

16

86611704

PLUG,Hex, M14 x 1.5 ORB

ASSY, Incl 17

1шт.

17

86598099

O-RING,2.2mm Thk x 11.3mm ID, Cl 6

1шт.

Выбрано товаров: 17