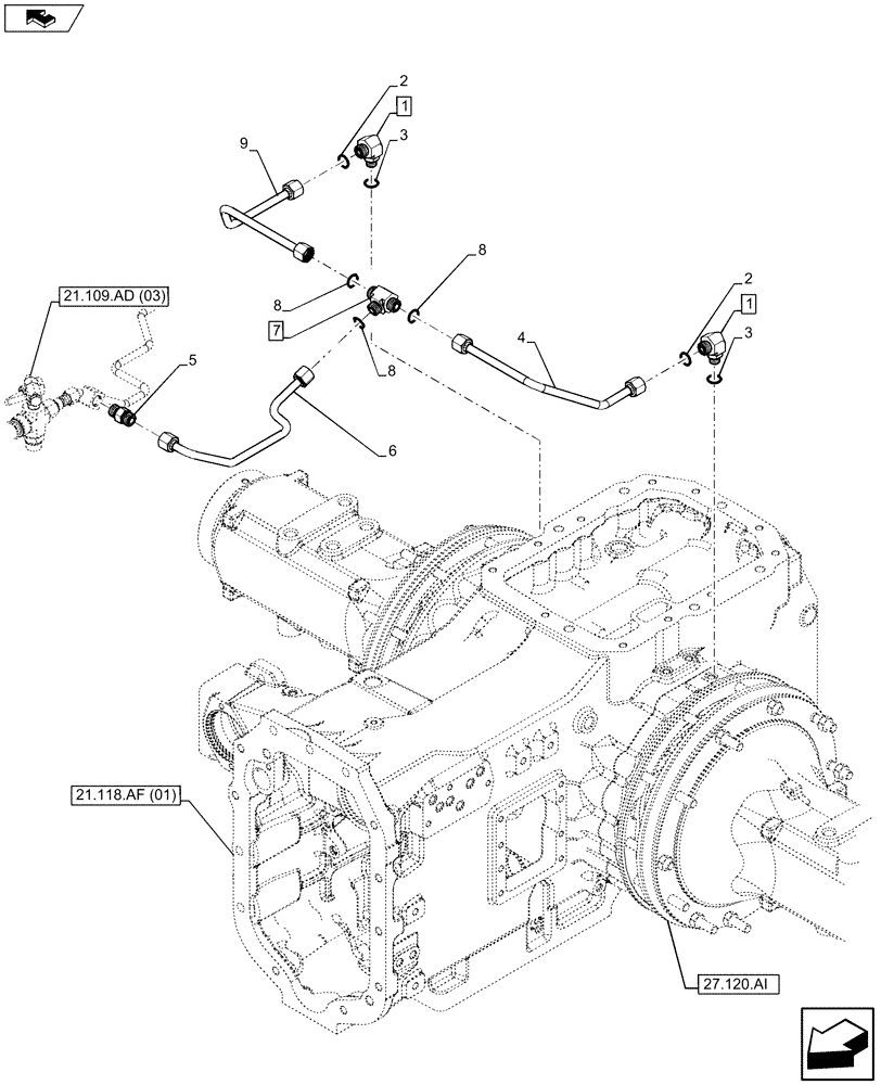
Запчасти Case IH MAXXUM 120 (21.109.AD[04]) - VAR- 390283 - TRANSMISSION, COOLING SYSTEM LINE (21) - TRANSMISSION

Схема запчастей Case IH MAXXUM 120 - (21.109.AD[04]) - VAR- 390283 - TRANSMISSION, COOLING SYSTEM LINE (21) - TRANSMISSION
7
8
2
9
2
6
21.118.af (01)
1
8
8
4
1
21.109.ad (03)
27.120.ai
5
3
3
FIT
1:1
100%

Артикул

Название

Примечание

Количество

1

86579690

ELBOW,90 Degree, 13/16"-18 ORFS x M16 x 1.5 ORB

ASSY, Incl 2 - 3

2шт.

2

9992298

O-RING,0.07" Thk x 0.489" ID, -14, Cl 6, 90 Duro

1шт.

3

86598100

O-RING,2.2mm Thk x 13.3mm ID, Cl 6, 90 Duro

1шт.

4

84473881

TUBE

Lube Rear Brake LH

1шт.

5

84140206

CHECK VALVE

Check Brake Lube

1шт.

6

47441369

TUBE

Lube To Rear Brakes

1шт.

7

86533127

TEE,13/16" - 16 ORFS x 13/16" - 16 ORFS x 13/16" - 16 ORFS

ASSY, Incl 8

1шт.

8

9992298

O-RING,0.07" Thk x 0.489" ID, -14, Cl 6, 90 Duro

3шт.

9

84422019

TUBE

Lube Rear Brake RH

1шт.

Выбрано товаров: 9