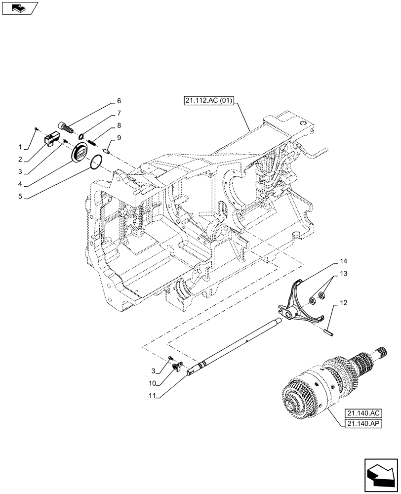
Запчасти Case IH MAXXUM 120 (21.140.AM) - VAR - 390283 - TRANSMISSION, RANGE, FORK (21) - TRANSMISSION

Схема запчастей Case IH MAXXUM 120 - (21.140.AM) - VAR - 390283 - TRANSMISSION, RANGE, FORK (21) - TRANSMISSION
14
8
1
10
3
2
13
11
12
21.112.ac (01)
7
4
21.140.ap
21.140.ac
6
5
9
3
home
FIT
1:1
100%

Артикул

Название

Примечание

Количество

1

14302924

HEX SOC SCREW,M4 x 10mm, Cl 8.8, Full Thd

2шт.

2

87620263

SENSOR

Magnetic

1шт.

3

14305121

HEX SOC SCREW,M6 x 12mm, Cl 8.8

4шт.

4

84181809

HOLDER

1шт.

5

14459680

O-RING,0.103" Thk x 2.112" ID, -138, Cl 5, 75 Duro

1шт.

6

87612768

SCREW,M16 x 45mm

1шт.

7

5167639

SEALING WASHER,13.4mm ID x 24mm OD x 1.5mm Thk

1шт.

8

5166394

PAWL,10mm OD x 25mm L

1шт.

9

5166393

SPRING,8mm OD x 43mm L

1шт.

10

84406697

HOLDER

1шт.

11

84560208

ROD

1шт.

12

13913670

ROLL PIN,M8 x 40, Coiled

1шт.

13

10791411

THIN NUT,Thin, M16, 1.50mm Pitch, 8.00mm High, Cl 04, ZND

2шт.

14

87362963

SHIFTER FORK,144.4mm Int

1шт.

Выбрано товаров: 14