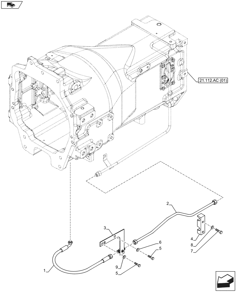
Запчасти Case IH MAXXUM 120 (25.102.AT[01]) - VAR - 390409, 330408 - FRONT AXLE, DIFFERENTIAL LOCK PIPE (25) - FRONT AXLE SYSTEM

Схема запчастей Case IH MAXXUM 120 - (25.102.AT[01]) - VAR - 390409, 330408 - FRONT AXLE, DIFFERENTIAL LOCK PIPE (25) - FRONT AXLE SYSTEM
21.112.ac (01)
7
2
9
5
4
6
5
home
3
1
8
FIT
1:1
100%

Артикул

Название

Примечание

Количество

1

87352542

HOSE,550.00mm

Power Steering Standard

1шт.

2

87540061

TUBE,8 mm ID x 10 mm OD x 364, 89 mm L

1шт.

3

87702718

BRACKET

1шт.

4

82029228

CLAMP,2 Hoses

1шт.

5

16043221

BOLT,Hex, M8 x 16mm, Cl 8.8, Full Thd

3шт.

6

14496501

WASHER,8.4mm ID x 17mm OD x 1.6mm Thk

2шт.

7

16050621

SCREW,Hex, M6 x 30mm, Cl 8.8, Full Thd

2шт.

8

14496401

WASHER,M6.4 x 12.00mm x 1.60mm

2шт.

9

12646701

WASHER,8.15mm ID x 20mm OD x 2mm Thk

1шт.

Выбрано товаров: 0