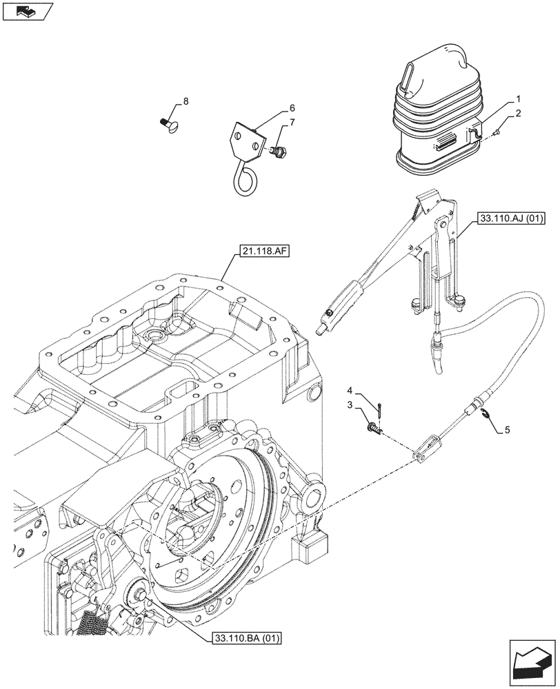
Запчасти Case IH MAXXUM 120 (33.110.AJ[02]) - VAR - 330658, 331658, 331659, 332077, 335077, 338928, 391658 - HAND BRAKE, CONTROL (33) - BRAKES & CONTROLS

Схема запчастей Case IH MAXXUM 120 - (33.110.AJ[02]) - VAR - 330658, 331658, 331659, 332077, 335077, 338928, 391658 - HAND BRAKE, CONTROL (33) - BRAKES & CONTROLS
33.110.aj (01)
6
2
home
7
8
1
3
4
5
21.118.af
33.110.ba (01)
FIT
1:1
100%

Артикул

Название

Примечание

Количество

1

84213451

BOOT

1шт.

2

87305546

SCREW,Phillips Drive, Oval HD, M5 x 10mm, Cl 4.8

1шт.

3

10033411

PIN,10mm OD x 27mm L

1шт.

4

10766901

COTTER PIN,M3.2 x 25

1шт.

5

11087374

CIRCLIP,M13

1шт.

6

82034369

SLIDE GUIDE

1шт.

With Cab Suspension, Var. 330658, 331658, 332077 (391658)

1шт.

7

16043221

BOLT,Hex, M8 x 16mm, Cl 8.8, Full Thd

2шт.

With Cab Suspension, Var. 330658, 331658, 332077 (391658)

1шт.

8

81870039

FASTENER,M8 x 1.5 x 22mm

2шт.

Less Cab Suspension, Var. 331659, 335077, 338928, 391658 (391658)

1шт.

Выбрано товаров: 11