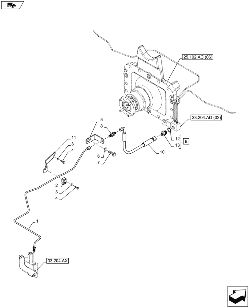
Запчасти Case IH MAXXUM 120 (33.204.AG[02]) - VAR - 330427, 330430 - SUSPENDED FRONT AXLE, BRAKE LINE (33) - BRAKES & CONTROLS

Схема запчастей Case IH MAXXUM 120 - (33.204.AG[02]) - VAR - 330427, 330430 - SUSPENDED FRONT AXLE, BRAKE LINE (33) - BRAKES & CONTROLS
33.204.ax
3
1
13
8
4
10
2
9
4
5
7
home
3
6
12
11
25.102.ac (06)
33.204.ad (02)
FIT
1:1
100%

Артикул

Название

Примечание

Количество

1

47577060

BRAKE LINE

1шт.

2

47517275

CLAMP BRACKET

1шт.

3

14496401

WASHER,M6.4 x 12.00mm x 1.60mm

2шт.

4

10902680

BOLT,Hex, M6 x 25mm

2шт.

5

47057231

BRACKET

1шт.

6

85700654

WASHER,10.5mm ID x 20mm OD x 2.5mm Thk

1шт.

7

11106674

BOLT,Hex, M10 x 35mm, Cl 12.9

1шт.

8

82016624

ADAPTER

1шт.

9

82015298

HYD CONNECTOR,1/2"-20 - M18 x 1.5

ASSY, Incl 12, 13

1шт.

10

82036030

HOSE,15.88mm ID x 550mm L, SAE 100R2

From Brake Valve to Front Axle

1шт.

11

47517274

BRACKET

1шт.

12

83999938

SEAL,15.7mm ID x 20.9mm OD x 1.5mm Thk

1шт.

13

NSS

NOT SOLD SEPARAT

Straight Fitting, Incl in 9

1шт.

Выбрано товаров: 13