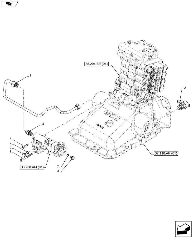
Запчасти Case IH MAXXUM 120 (33.220.AC[01]) - VAR - 330718, 332301, 744784 - REMOTE CONTROL VALVE PIPE (33) - BRAKES & CONTROLS

Схема запчастей Case IH MAXXUM 120 - (33.220.AC[01]) - VAR - 330718, 332301, 744784 - REMOTE CONTROL VALVE PIPE (33) - BRAKES & CONTROLS
7
3
2
home
5
1
37.110.ap (01)
4
35.204.be (04)
7
33.220.am (01)
6
8
FIT
1:1
100%

Артикул

Название

Примечание

Количество

1

47451996

TUBE

Supply From Trailer Brake Valve

1шт.

2

44015354

QUICK MALE COUPLING

1шт.

3

47131496

PLUG,Hex, M12 x 1

1шт.

4

81863437

HYD CONNECTOR,M18 x 13/16"-16 ORS

1шт.

5

14306521

HEX SOC SCREW,M8 x 1.25 x 30mm, Cl 8.8

1шт.

6

10300511

PLUG,M12 x 1.5 x 12, Cl5.8

1шт.

7

10261060

SEALING WASHER,12.2mm ID x 16mm OD x 1.5mm Thk

2шт.

8

14359421

HEX SOC SCREW,M8 x 75mm, Cl 8.8

2шт.

Выбрано товаров: 8